izhevsk.ru Главная /  Промзона. Купить - Продать. /  кто может сделать?
тема закрыта

Имя:
Пароль:
 зарегистрироваться | Войти через
напоминатель пароля
кто может сделать?
НОВАЯ ТЕМА правила | поиск | картинки | | | о форуме |
  Новости | Авто | Недвижимость | Работа | Бизнес | Стройка | Объявления | Совместная покупка | | |
  следующая тема | предыдущая тема
Автор Тема:   кто может сделать?   версия для печати
qwerty91109
Рейтинг: 0/0
-- написано 2-11-2013 22:16 qwerty91109

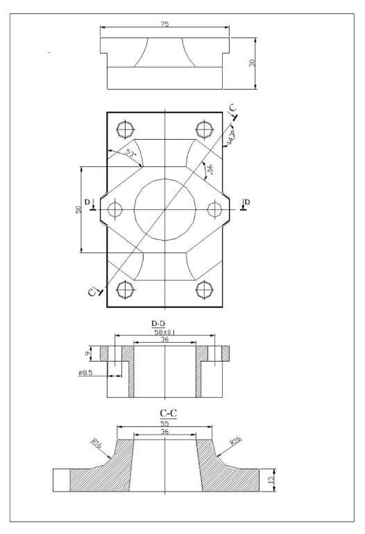
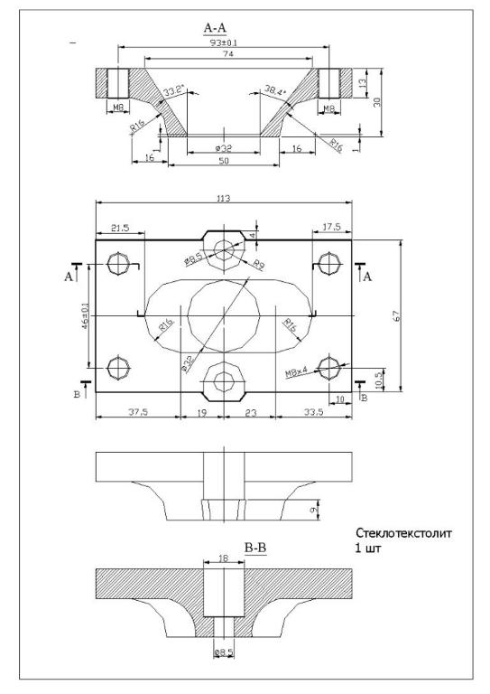
нужно сделать плиту переходную на карбюратор
Есть съема, нужен специалист который сделал бы
click for enlarge 526 X 768  29.0 Kb picture
click for enlarge 543 X 768  38.7 Kb picture
Показать текст сообщения полностью
grog
Рейтинг: 1/0
-- написано 3-11-2013 00:08 grog

можно подумать над технологичностью детали. вопрос можно ли сделать из составных частей? если да то с большей вероятностью найдете исполнителя
qwerty91109
Рейтинг: 0/0
-- написано 3-11-2013 09:45 qwerty91109

quote:
Originally posted by grog:
можно подумать над технологичностью детали. вопрос можно ли сделать из составных частей? если да то с большей вероятностью найдете исполнителя

Из составных?
Не совсем понял...
Как это?

grog
Рейтинг: 1/0
-- написано 3-11-2013 17:05 grog

рассечь деталь по плоскости 13 мм.
по возможности убрать конуса
прикинуть где можно сварить
Кудрявый ВТК
Рейтинг: 0/-1
-- написано 3-11-2013 19:29 Кудрявый ВТК

Второй чертеж не совсем понял, на переходник не очень похож. Куда это обще?
DETOXIC
Рейтинг: 0/-1
-- написано 3-11-2013 21:51 DETOXIC

если это переход на лепестковый клапан, то покажите клапан пожалуйста
qwerty91109
Рейтинг: 0/0
-- написано 3-11-2013 23:24 qwerty91109

Это переходник с гнезда где стоит карбюратор на стареньком опеле... данный переходник ставится на место старого карбюратора и на него ставиться другой карб
Кудрявый ВТК
Рейтинг: 0/-1
-- написано 4-11-2013 03:46 Кудрявый ВТК

Понятно, сколько дашь за эту детальку? И лучше будет если ты дашь карбюратор и коллектор
qwerty91109
Рейтинг: 0/0
-- написано 4-11-2013 22:44 qwerty91109

quote:
Originally posted by Кудрявый ВТК:
Понятно, сколько дашь за эту детальку? И лучше будет если ты дашь карбюратор и коллектор

Не знаю сколько предложить...
Ее долго делать?
Если нет, то могу приехать, и на месте решим по цене)
И еще вопрос по материалу, какой материал лучше взять?

Кудрявый ВТК
Рейтинг: 0/-1
-- написано 5-11-2013 09:47 Кудрявый ВТК

Такие вещи обычно из аллюминия делают. Я нахожусь в Воткинске и работаю на заводе, так что со мной присутствовать при изготовлении не получится. 89635444557 звони обсудим
qwerty91109
Рейтинг: 0/0
-- написано 5-11-2013 18:41 qwerty91109

quote:
Originally posted by Кудрявый ВТК:
Такие вещи обычно из аллюминия делают. Я нахожусь в Воткинске и работаю на заводе, так что со мной присутствовать при изготовлении не получится. 89635444557 звони обсудим

Ждите звонка)


200x150 320x240 400x300 800x600    без переносов   
быстрый ответ   

подпись
следующая тема | предыдущая тема

похожие темы
 кто шестерни сделает по образцу? 
 Кто сделает круглую шлифовку 
 Кто сделает круглый пятак из латуни 
 кто сделает станок ручной? 
 Переходную плиту карбюратора кто сделает? 
 нужно узнать состав стали и твердость, кто сможет сделать анализ? 
 Кто может сделать сетку "Антикошка"? О животных
 кто и почем сделает балкон Строительные услуги - спрос
 Тюнингнуть КАСССИКУ, кто сделает и цена вопроса? Тюнинг и стайлинг

Главная /  Промзона. Купить - Продать. /  кто может сделать? форумы izhevsk.ru

 
 
 
 
 
© ООО "Марк" 2020
 
Интернет-провайдер КК МАРК-ИТТ