izhevsk.ru Главная /  Промзона. Купить - Продать. /  Кто сделает круглый пятак из латуни
тема закрыта

Имя:
Пароль:
 зарегистрироваться | Войти через
напоминатель пароля
Кто сделает круглый пятак из латуни
НОВАЯ ТЕМА правила | поиск | картинки | | | о форуме |
  Новости | Авто | Недвижимость | Работа | Бизнес | Стройка | Объявления | Совместная покупка | | |
  следующая тема | предыдущая тема
Автор Тема:   Кто сделает круглый пятак из латуни   версия для печати
rol1800
Рейтинг: 0/0
-- написано 20-6-2013 14:17 rol1800

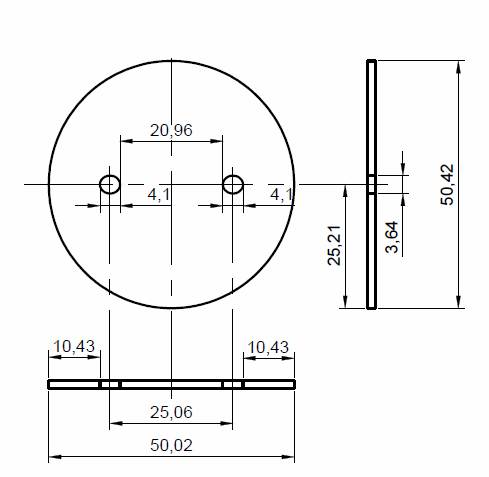
Необходимо сделать круглый пятак из латуни (3 шт.), чертеж с размерами имеется, цена ваша.
click for enlarge 600 X 598  19.1 Kb picture
click for enlarge 489 X 477  20.6 Kb picture
Показать текст сообщения полностью
rol1800
Рейтинг: 0/0
-- написано 21-6-2013 08:52 rol1800

до 500 руб. за 1 деталь, нужно Срочно!
NikeR18
Рейтинг: 42/-10
-- написано 21-6-2013 08:55 NikeR18

толщину пятака укажите
rol1800
Рейтинг: 0/0
-- написано 21-6-2013 10:24 rol1800

толщина 1,6 мм
kammm
Рейтинг: 82/-20
-- написано 25-6-2013 00:37 kammm

А чего размеры-то такие неровные?
По горизонту 50,02 по вертикали 50,42
Чего за элипс такой?
И нахрена размер между краями отверстий на 2 сотки меньше чем 21 мм?
Вы-бы хоть поля допусков проставили что-ли.
Сама-то латунь ваша или изготовителя?
И какая марка латуни? (их ка-бы сотни разных, с разными свойствами и даже цветом)

200x150 320x240 400x300 800x600    без переносов   
быстрый ответ   

подпись
следующая тема | предыдущая тема

Главная /  Промзона. Купить - Продать. /  Кто сделает круглый пятак из латуни форумы izhevsk.ru

 
 
 
 
 
© ООО "Марк" 2020
 
Интернет-провайдер КК МАРК-ИТТ