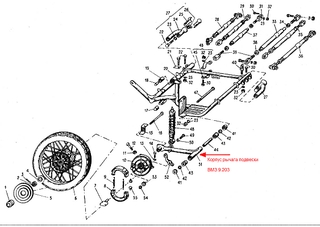
Ищется корпус рычага подвески бокового прицепа (коляски) ИЖ ВМЗ 9.203, указан на фото, от иж 4 то же должен подойти... за пиво, сок, символическую плату, недорого... наверняка у кого то пылится без дела...
Показать текст сообщения полностью
предложения в P.M. Рассмотрю все предложения
