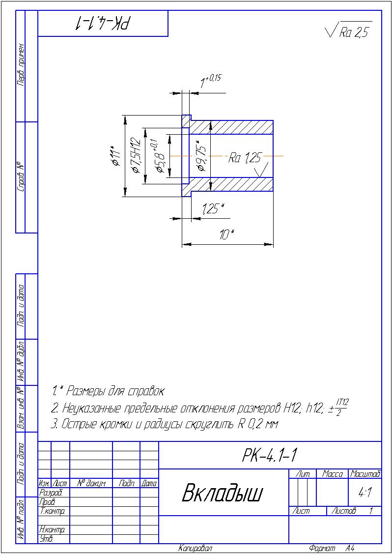
Требуется изготовить детали как на чертеже.Условия работы, цены и предложения скидывайте в РМ или на почту. Для начала: осей - 300 шт. вкладышей - 1800 шт. втулок - 300 шт. Далее возможно больше.
Показать текст сообщения полностью
(34147)97-1-37, 89128513682 Илья Александрович.
kurs-c@mail.ru
