izhevsk.ru Главная /  Ремонт автомобилей - спрос /  нужен токарь
тема закрыта

Имя:
Пароль:
 зарегистрироваться | Войти через
напоминатель пароля
нужен токарь
НОВАЯ ТЕМА правила | поиск | картинки | | | о форуме |
  Новости | Авто | Недвижимость | Работа | Бизнес | Стройка | Объявления | Совместная покупка | | |
  следующая тема | предыдущая тема
Автор Тема:   нужен токарь   версия для печати
распи*дяй
Рейтинг: 416/-96
-- написано 21-4-2014 17:16 распи*дяй

работа не сложная, материал ваш
Показать текст сообщения полностью
Вячеслав Гусев
Рейтинг: 8/-4
-- написано 23-4-2014 22:37 Вячеслав Гусев

О чем хоть? (чертежик).
распи*дяй
Рейтинг: 416/-96
-- написано 24-4-2014 08:45 распи*дяй

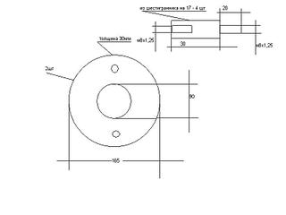
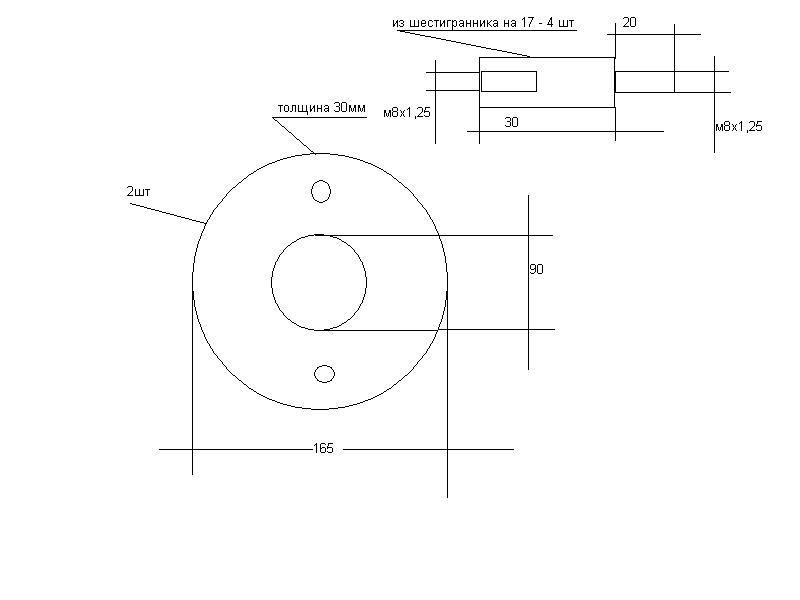
нету чертежа, есть образец
проставки надо сделать под передние стойки
dimbass501
Рейтинг: 142/-28
-- написано 25-4-2014 09:40 dimbass501

звони 8909057086восемь Дима
распи*дяй
Рейтинг: 416/-96
-- написано 26-4-2014 12:07 распи*дяй

в понедельник позвоню
станок то в доступности? или за проходной?
aroma757
Рейтинг: 148/-68
-- написано 26-4-2014 15:03 aroma757

quote:
Originally posted by распи*дяй:

материал ваш


Металл,дерево,резина?!
распи*дяй
Рейтинг: 416/-96
-- написано 26-4-2014 23:00 распи*дяй

метал, текстолит, второпласт
тоже токаришь?
aroma757
Рейтинг: 148/-68
-- написано 27-4-2014 08:26 aroma757

Станок и человек имеется!)
распи*дяй
Рейтинг: 416/-96
-- написано 27-4-2014 23:12 распи*дяй

вобщем примерный рисунок накидал
800 X 600 25.1 Kb нужен токарь
датали объясню на пальцах, и вобще хотелось бы присутствовать в процессе изготовления

история редактирования

aroma757
Рейтинг: 148/-68
-- написано 28-4-2014 07:33 aroma757

Телефон в профайле!
распи*дяй
Рейтинг: 416/-96
-- написано 28-4-2014 08:37 распи*дяй

quote:
Originally posted by aroma757: Телефон в профайле!



нету, или скрыт настройками
aroma757
Рейтинг: 148/-68
-- написано 28-4-2014 09:30 aroma757

89127553359 Тогда вот так!)

200x150 320x240 400x300 800x600    без переносов   
быстрый ответ   

подпись
следующая тема | предыдущая тема

похожие темы
 Нужен хороший токарь 
 нужен токарь ! Мотоциклы
 нужен токарь 
 Нужен токарь Мотоциклы
 Очень нужен токарь, токарь-расточник для работы вахтой в Нижегородской области Работа

Главная /  Ремонт автомобилей - спрос /  нужен токарь форумы izhevsk.ru

 
 
 
 
 
© ООО "Марк" 2020
 
Интернет-провайдер КК МАРК-ИТТ