Добрый день необходимо изготовить детали:
Показать текст сообщения полностью
1)муфта;
2)шайба сферическая;
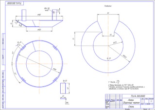
3)вал;
4)крышка;
5)загрузочная воронка;
6)плита переходная
согласно прилагаемых чертежей пока нужны в 1 экземпляре, в дальнейшем нужно будет больше экземпляров.
Интересует:
а) возможность изготовления;
б) стоимость;
в) время изготовления;
г)способ оплаты какие возможны, возможно ли заключение договора и как от способа оплаты и формы договора влияет цена
сколько будет цена при увеличении кол-ва единиц
г. Ижевск
Дмитрий
тел 8-909-051-31-28
ICQ 496-323-071
