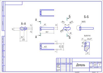
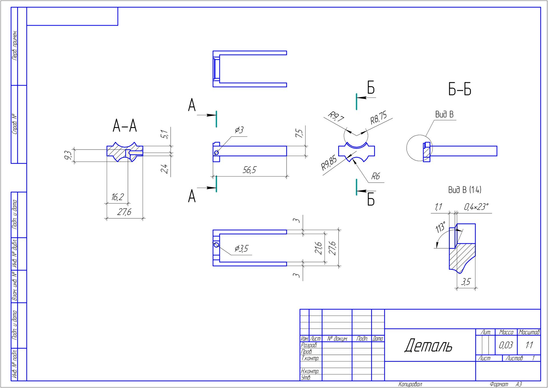
Всем добрый день! Нужно изготовить деталь по чертежам. С предложениями, ценами и сроками в почту, в РМ или по тел 89048399892

Показать текст сообщения полностью
|
Главная /
Промзона. Купить - Продать. /
нужно изготовить деталь
тема закрыта |
|
|
|
|---|
| следующая тема | предыдущая тема | ||
|
|
|||
| Главная / Промзона. Купить - Продать. / нужно изготовить деталь | форумы izhevsk.ru |
|
© ООО "Марк" 2020
Интернет-провайдер КК МАРК-ИТТ |
|---|