izhevsk.ru Главная /  Промзона. Купить - Продать. /  токарные работы!
тема закрыта

Имя:
Пароль:
 зарегистрироваться | Войти через
напоминатель пароля
токарные работы!
НОВАЯ ТЕМА правила | поиск | картинки | | | о форуме |
  Новости | Авто | Недвижимость | Работа | Бизнес | Стройка | Объявления | Совместная покупка | | |
  следующая тема | предыдущая тема
Автор Тема:   токарные работы!   версия для печати
PetruhaTRATATA
Рейтинг: 0/0
-- написано 3-9-2013 10:34 PetruhaTRATATA

работа с чертежами,эскизами и образцами,ищем штучные и постоянные не большие заказы!!! (станок ИЖЕНОК
click for enlarge 1920 X 1440 307.6 Kb picture

история редактирования

Показать текст сообщения полностью
tata300685
Рейтинг: 35/-35
-- написано 5-9-2013 06:57 tata300685

удлинитель шнека для мотобура сделаете? Думаю выточить из прутка.
PetruhaTRATATA
Рейтинг: 0/0
-- написано 9-9-2013 15:16 PetruhaTRATATA

можно попробовать,это надо все на месте смотреть!!!!можно завтра встретиться днем,телефон написан!
asru
Рейтинг: 0/0
-- написано 10-9-2013 14:17 asru

Можете сделать такие детали?

320 x 240
320 x 240
PetruhaTRATATA
Рейтинг: 0/0
-- написано 12-9-2013 11:50 PetruhaTRATATA

нет мы не можем сделать
vlodila14
Рейтинг: 12/-10
-- написано 25-9-2013 23:37 vlodila14

ващпе токарка)))))))))))))))
TopCat
Рейтинг: 168/-271
-- написано 26-9-2013 08:28 TopCat

Можно и на токарке, если заготовку дадут, но это уже извращение (хотя не высшей степени)
PetruhaTRATATA
Рейтинг: 0/0
-- написано 27-9-2013 15:03 PetruhaTRATATA

там не один станок нужен чтобы такое сделать
gronada
Рейтинг: 0/-1
-- написано 9-10-2013 16:20 gronada

[QUOTE]Originally posted by asru:
[B]Можете сделать такие детали?

Какое количество Вас интересует? и материал?

PetruhaTRATATA
Рейтинг: 0/0
-- написано 9-10-2013 23:00 PetruhaTRATATA

какие детали дайте чертеж или образец!!! а там уже решим,и по материалу все обговорим
AlekseyL80
Рейтинг: 19/-8
-- написано 31-10-2013 16:10 AlekseyL80

возможно изготовление такой зубчатой детали! ЦЕНА?
AlekseyL80
Рейтинг: 19/-8
-- написано 31-10-2013 16:11 AlekseyL80


click for enlarge 378 X 827  83.0 Kb picture
qwerty91109
Рейтинг: 0/0
-- написано 2-11-2013 07:22 qwerty91109

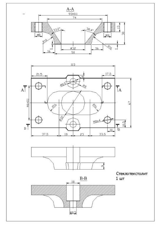
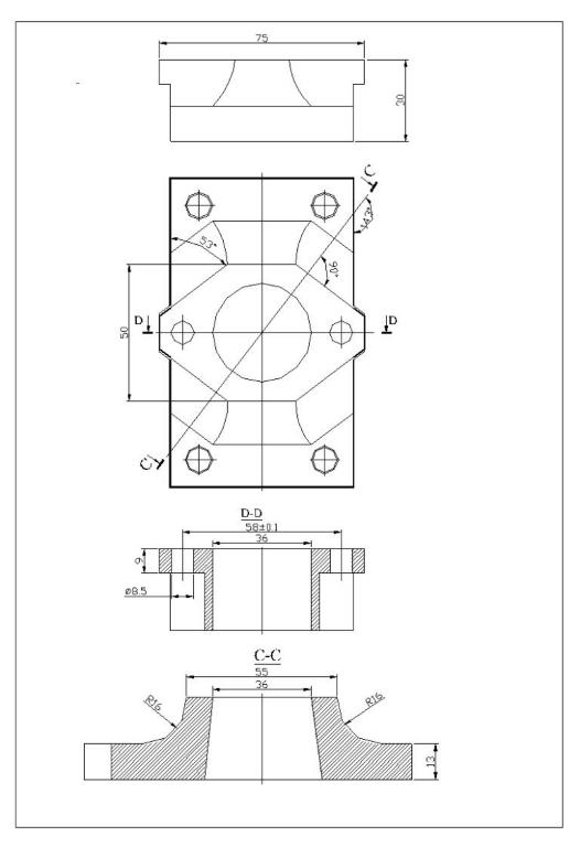
нужно изготовить переходную плиту, Хочу узнать во сколько это обойдется, и как долго это будете делать, жду ответа в личку или по телефону 89658469994 Василий
click for enlarge 526 X 768 29.0 Kb picture
click for enlarge 543 X 768 38.7 Kb picture

история редактирования

PetruhaTRATATA
Рейтинг: 0/0
-- написано 4-11-2013 10:18 PetruhaTRATATA

привет,такую деталь не сожем сделать
elveel
Рейтинг: 143/-9
-- написано 4-11-2013 11:32 elveel

JhonS33
Рейтинг: 27/-19
-- написано 4-11-2013 16:42 JhonS33

Напишите где Вы находитесь... нужно будет сделать пару колечек центровочных на литые диски.. а то бъёт немного.
PetruhaTRATATA
Рейтинг: 0/0
-- написано 4-11-2013 17:06 PetruhaTRATATA

мы находимся в старках,мы там будем в среду ближе к обеду, телефон мой написан
Kurs-C
Рейтинг: 0/0
-- написано 5-11-2013 09:22 Kurs-C

Добрый день! Такое сможете изготовить? Тираж для начала 300 шт.
click for enlarge 798 X 1127 121.6 Kb picture
PetruhaTRATATA
Рейтинг: 0/0
-- написано 5-11-2013 17:36 PetruhaTRATATA

латунную шайбу сделали,звоните по телефону приезжайте и заберайте
XAM 007
Рейтинг: 9/-21
-- написано 9-11-2013 01:14 XAM 007

В выходные работаете?
PetruhaTRATATA
Рейтинг: 0/0
-- написано 11-11-2013 12:19 PetruhaTRATATA

да работаем,если заказы есть
ILDGAR
Рейтинг: 160/-62
-- написано 15-11-2013 12:28 ILDGAR

интересует цена:
click for enlarge 554 X 613  38.5 Kb picture

история редактирования

Indeetz
Рейтинг: 74/-66
-- написано 16-1-2014 00:03 Indeetz

вечер добрый. нужно изготовить 2 шкива - Коленвала и помпы. 1)Шкив на коленвал:http://lairecat.sytes.net/uploads/Indeetz/post-4330-1229500791.jpg плюс реперный венец отсюда http://lairecat.sytes.net/uploads/Indeetz/shkiv_big.jpg . в итоге цельная деталь - база с первого черчежа, репер со второго. шкив помпы http://lairecat.sytes.net/uplo...-1229500797.jpg . материал сталь 45, 40х, или вы что то предложите. так же интересует возможность фрезеровки плиты из Д16 под углом 11 град, р-р 25х100х400. профиль http://lairecat.sytes.net/uploads/Indeetz/profil.jpg
SSAA
Рейтинг: 1/-1
-- написано 17-1-2014 16:49 SSAA


1813 X 561  84.3 Kb токарные работы!
SSAA
Рейтинг: 1/-1
-- написано 17-1-2014 16:49 SSAA

Интересует цена и срок изготовления
PetruhaTRATATA
Рейтинг: 0/0
-- написано 18-1-2014 19:49 PetruhaTRATATA

на счет шкивов,скажу только в начале недели
Indeetz
Рейтинг: 74/-66
-- написано 18-1-2014 21:54 Indeetz

хорошо. плиту из д16 можете отфрезеровать? http://lairecat.sytes.net/uploads/Indeetz/plita_3d.jpg
PetruhaTRATATA
Рейтинг: 0/0
-- написано 22-1-2014 15:17 PetruhaTRATATA

у нас нету фрезерного станка

200x150 320x240 400x300 800x600    без переносов   
быстрый ответ   

подпись
следующая тема | предыдущая тема

похожие темы
 токарные работы Стройматериалы - предложение
 Требуются Токарные работы по дереву 
 Требуются токарные работы Советы профессионалов
 Требуются токарные работы. 
 Продам токарный 1Е61МС 
 продам токарный и пресс-ножницы 

Главная /  Промзона. Купить - Продать. /  токарные работы! форумы izhevsk.ru

 
 
 
 
 
© ООО "Марк" 2020
 
Интернет-провайдер КК МАРК-ИТТ