|
Главная /
АвтоФорум-Ижевск /
Кто умеет читать схемы, подскажите
тема закрыта |
|
|
|
|---|
| следующая тема | предыдущая тема | ||
|
|||||||||||||
| |||||||||||||
| |||||||||||||
|
насколько я помню, то там переключающий контакт.
но по сути да, выдает плюс импульсами. | |||
|
Так все таки
quote:, или же quote:? | |||
|
ну так реле переключающее.
Если будешь смотреть относительно кузова, то будешь видеть импульсы. | |||
|
Ну теперь ясно. А как думаете, почему такое может быть. На заднем фонаре снимаю разъем и звоню каждый контакт с массой. Звонятся все. При этом все работает (почти все), а в режиме покоя потребление тока 0.03 А.
| |||
|
Что такое звониься? Пищит мультиметр?
| |||
|
Ну и пусть
| |||
|
quote:Половина контактов 1 Ом, то есть накоротко, вторая половина - 3 Ома | |||
|
quote: ну так 3 лампы включены параллельно. ~ 40 Вт.
quote: так они изначально на земле сидят через не очень хорошую массу. Лучше скажи в чем проблема? это же 5-ка? | |||
|
quote: Думаю, что это сигналка потребляет. quote: Не работает правый задний поворотник. Вместо него моргает габарит, а при нажатии на тормоз вообще светомузыка начинается. Сами габариты и стопы работают нормально. Авто четверка. Плюс к тому присутствует слабое свечение индикатора дальнего света при включении ближнего. Думаю, эти проблемы не связаны, но где то очень рядом. | |||
|
quote: Проверь массу фонаря, либо дорожки на печати фонаря. quote: а тут возможно проводка в фаре. | |||
|
quote: или грязь, влага в разъемах фары. | |||
|
quote: ну это туда же отнести можно. | |||
|
quote: quote: Перегорел ближний сегодня. И походу, после этого перестал светиться индикатор. И с задним фонарем дискотека прекратилась, теперь похоже лампочку поворота поменять нужно) | |||
|
quote: Проверь герметичность соединений. Заменить уплотнители дешевле, чем менять отдельные виды лампочек. ПыСы Я юзаю Маяк. Мне пофиг... | |||
|
quote: А я чо то не нашел в биноме маяк. Думал, их уже не делают | |||
|
quote: Радио россии делают))) | |||
|
| |||
|
quote: Прерывистый. То потухнет, то погаснет. | |||
|
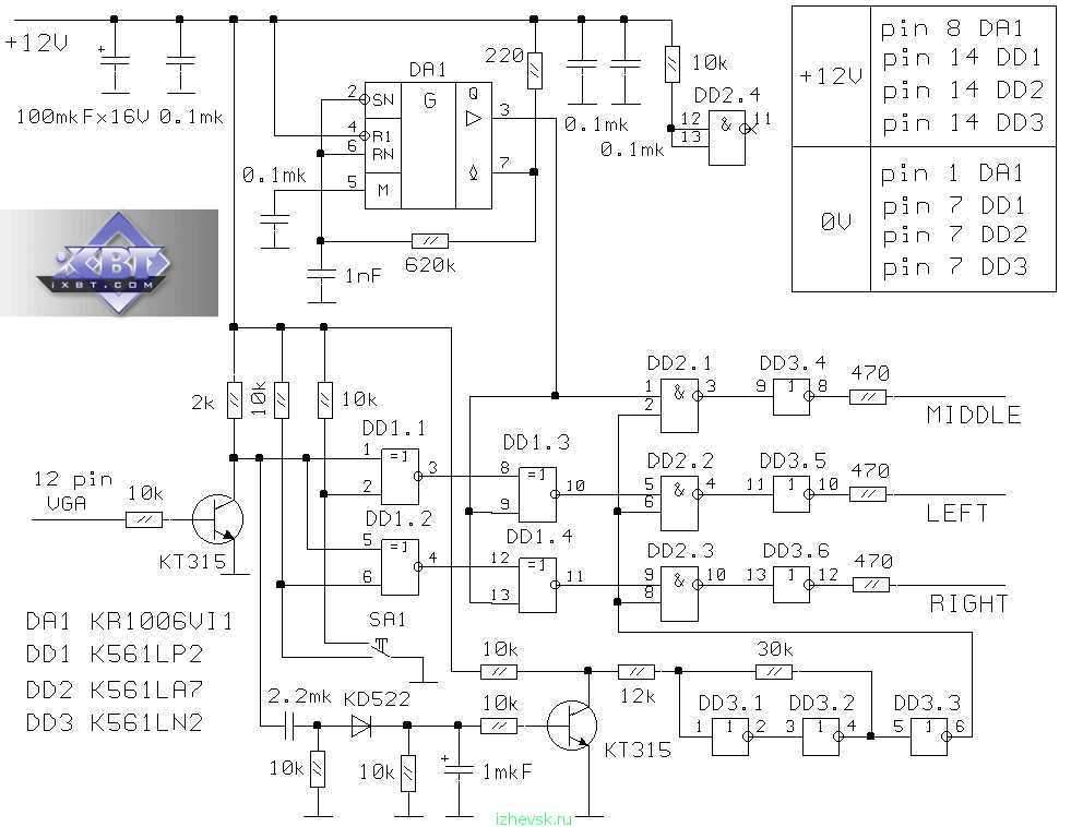
quote: Цифрвоой сигнал, а что? Если интересует частота, то смотреть надо что на базе транзистора. У тебя в авто есть видеокарта? или так первая попавшаяся картинка из интернета? | |||
|
quote: да зачем ему читать. Эта схемата везде где можно плавает по интернету. Народ все думает как подключить 3D очки к старым видюхам. | |||
|
quote: Теперь наверное есть) моник с навигацией и фильмы можно смотреть) | |||
|
quote: в три дэ? | |||
|
Нет конечно
| |||
|
quote: говорят в видеокарте соренто трассировка лучей есть | |||
|
quote: странно. А для каких целей тебе тогда эта схема в авто? Кстати, а на базе КТ315, которая выведена на 12 пин VGA какой сигнал?
| |||
| следующая тема | предыдущая тема |
| Главная / АвтоФорум-Ижевск / Кто умеет читать схемы, подскажите | форумы izhevsk.ru |
|
© ООО "Марк" 2020
Интернет-провайдер КК МАРК-ИТТ |
|---|
