izhevsk.ru Главная /  Радио /  трансформатор св инвертор ресанта
тема закрыта

Имя:
Пароль:
 зарегистрироваться | Войти через
напоминатель пароля
трансформатор св инвертор ресанта
НОВАЯ ТЕМА правила | поиск | картинки | | | о форуме |
  Новости | Авто | Недвижимость | Работа | Бизнес | Стройка | Объявления | Совместная покупка | | |
  следующая тема | предыдущая тема
Автор Тема:   трансформатор св инвертор ресанта   версия для печати
next 431
Рейтинг: 6/-2
-- написано 15-12-2015 21:41 next 431

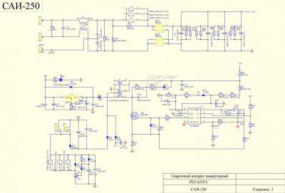
НУЖЕН ТРАНС ДЕЖУРКИ (EC28341231) СВАРОЧНОГО ИНВЕРТОРА ARC250

история редактирования

Показать текст сообщения полностью
next 431
Рейтинг: 6/-2
-- написано 15-12-2015 21:48 next 431

  НА РЕСАНТЕ ТАКОЙЖЕ
Эд
Рейтинг: 92/-22
-- написано 15-12-2015 21:59 Эд

конденсатор и диод в цепи сгорающего резистора проверяли? или схема не с вашей пометкой? и нет сопротивления обмотки(или КЗ)?
если все же с вашей пометкой схема, то не плохо было бы проверить что идет с ШИМ 3842 и ее питание на предмет пульсаций

история редактирования

next 431
Рейтинг: 6/-2
-- написано 15-12-2015 22:06 next 431

ВСЕ УЖЕ ПРОВЕРЯЛ ГРЕШУ НА ТРАНС НЕТ ОСЦИЛЛОГРАФА ПРОВЕРИТ
Эд
Рейтинг: 92/-22
-- написано 15-12-2015 22:18 Эд

и все ж таки... я бы заменил конденсатор и диод на другие. просто так сгорать резистор в этой цепи не может и обмотка транса ни при чем абсолютно

история редактирования

next 431
Рейтинг: 6/-2
-- написано 16-12-2015 21:22 next 431

конденсатор и диод менял на новые ,конденсаторы по питанию шим менял непомогает

200x150 320x240 400x300 800x600    без переносов   
быстрый ответ   

подпись
следующая тема | предыдущая тема

Главная /  Радио /  трансформатор св инвертор ресанта форумы izhevsk.ru

 
 
 
 
 
© ООО "Марк" 2020
 
Интернет-провайдер КК МАРК-ИТТ