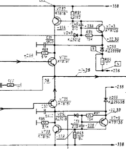
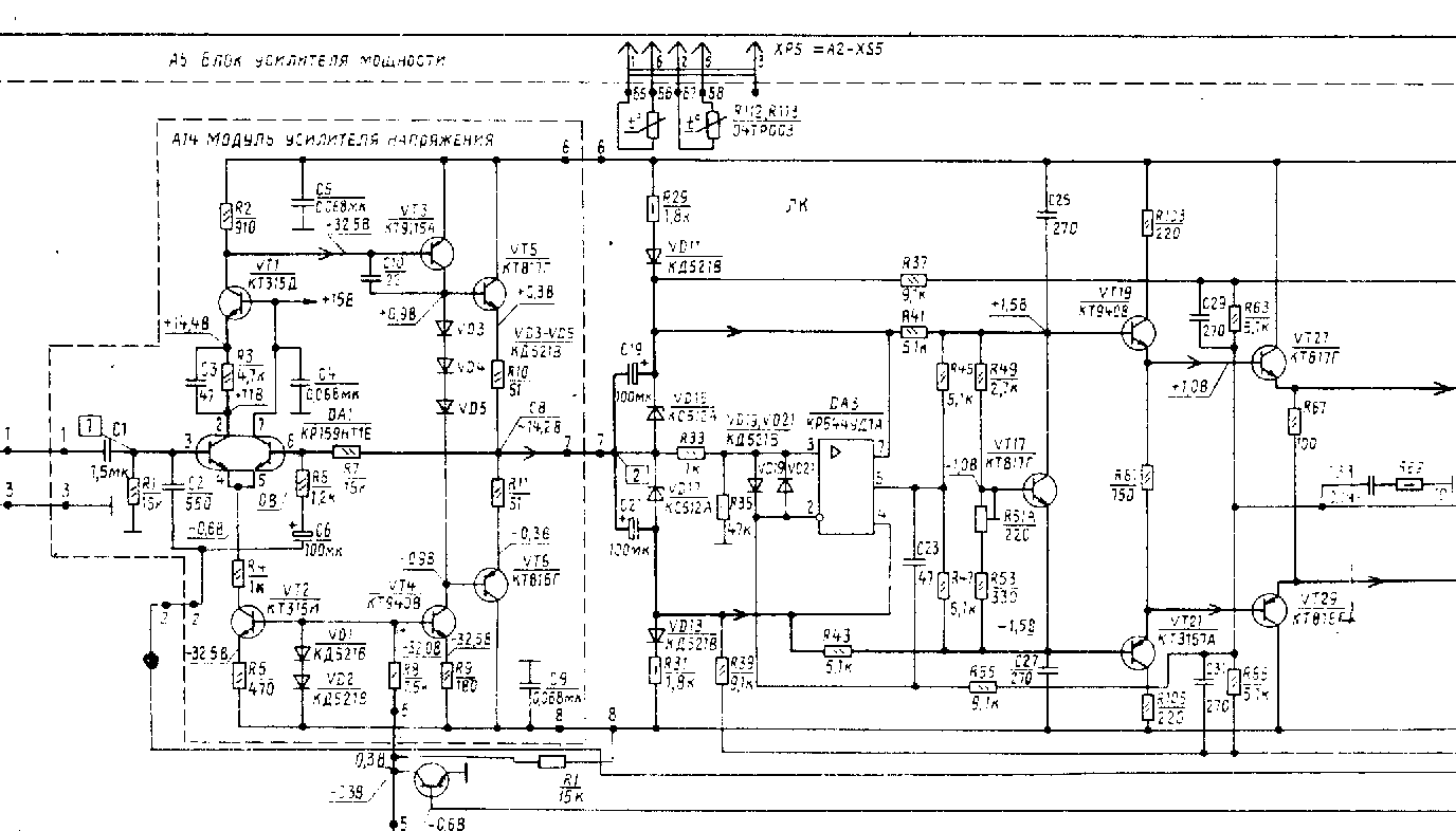
Усь - Вега 50у-122. Фрагмент схемы
Показать текст сообщения полностью
Вопрос в том, чем достигается баланс в 7 точке (должно быть 0 вольт постоянки), думал, что работой стабилитронов, выходит что не так. Сейчас там дорожку временно перерезал, т.к. левая часть тоже неисправна, теперь думаю что без неё (VT3 _VT6) нуля и нет, правильны ли мои мысли?
