помогите сделать стабилизатор 12В 1А в автомобиль.
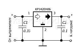
Он нужен в разных местах для подключения разной китайской штуки - ДХО и светодиодные сборки для подсветки. По току стабилизацию не рассматриваю, т.к. нужен универсальный такой стабилизатор для разных штук. Как сделать его дешево и самое главное максимально просто? В инете перерыл - нашел два варианта: на LM317 и КР142ЕН8Б. Хотелось бы проверенный вариант, подскажите что сделать.

Показать текст сообщения полностью
Он нужен в разных местах для подключения разной китайской штуки - ДХО и светодиодные сборки для подсветки. По току стабилизацию не рассматриваю, т.к. нужен универсальный такой стабилизатор для разных штук. Как сделать его дешево и самое главное максимально просто? В инете перерыл - нашел два варианта: на LM317 и КР142ЕН8Б. Хотелось бы проверенный вариант, подскажите что сделать.
