izhevsk.ru Главная /  Радио /  Выбросить жалко, как проверить?
тема закрыта

Имя:
Пароль:
 зарегистрироваться | Войти через
напоминатель пароля
Выбросить жалко, как проверить?
НОВАЯ ТЕМА правила | поиск | картинки | | | о форуме |
  Новости | Авто | Недвижимость | Работа | Бизнес | Стройка | Объявления | Совместная покупка | | |
  следующая тема | предыдущая тема
Автор Тема:   Выбросить жалко, как проверить?   версия для печати
ZX-ruban
Рейтинг: 214/-63
-- написано 2-7-2014 11:02 ZX-ruban

Скопилась кучка 817 оптопар, предложите конструкцию для проверки оных...
1920 X 1440 1008.6 Kb Выбросить жалко, как проверить?
Показать текст сообщения полностью
e-go
Рейтинг: 1943/-680
-- написано 2-7-2014 11:54 e-go

ПО входу ограничить ток резистором, на выходе светодиодик. Сопротивление изоляции, думаю, можно не проверять.
ZX-ruban
Рейтинг: 214/-63
-- написано 2-7-2014 12:10 ZX-ruban

Не, не то, схем в тырнете пално, нужен какой то хитрый разъем что бы втыкать оптопары
976 X 387  8.7 Kb Выбросить жалко, как проверить?




976 X 387   8.7 Kb Выбросить жалко, как проверить?

история редактирования

Romantik
Рейтинг: 180/-40
-- написано 2-7-2014 13:27 Romantik

Наверное проще пальцем прижимать к контактным площадкам на плате.
rk
Рейтинг: 546/-186
-- написано 2-7-2014 17:24 rk

цитата:
Изначально написано ZX-ruban:
Не, не то, схем в тырнете пално, нужен какой то хитрый разъем что бы втыкать оптопары



[URL=https://izhevsk.ru/forums/icons/forum_pictures/011064/11064874.gif][/URL]


Взять небольшой кусок фольгинированного текстолита, фольгу крестиком порезать. Оптопары прижимать.

e-go
Рейтинг: 1943/-680
-- написано 2-7-2014 17:54 e-go

Тогда можно еще к этому же кусочку текстолита сбоку припаять пружинящий рычажок, который и будет прижимать оптопару к контактным площадкам.
Синтетик
Рейтинг: 1556/-387
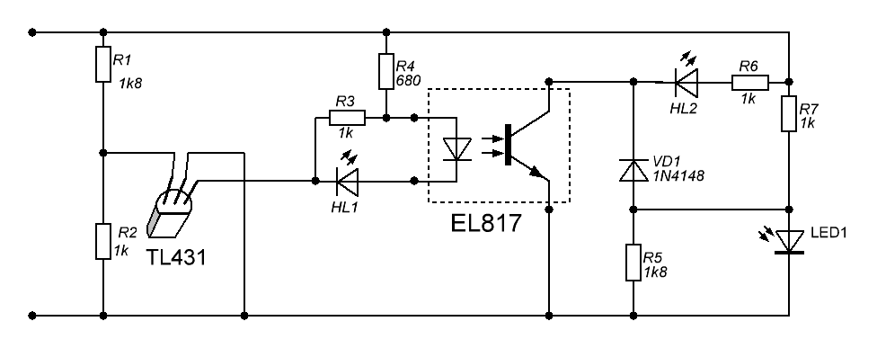
-- написано 2-7-2014 23:13 Синтетик

Romantik
Рейтинг: 180/-40
-- написано 3-7-2014 16:29 Romantik

Долго подключать 4 крокодила. Вариант Синтетика быстрее
Эд 3458
Рейтинг: 25/-1
-- написано 4-7-2014 18:11 Эд 3458

Возьмите 4-ре контакта из ПЛСМ20 ( или ей подобной ....что найдете и что больше по душе, Вам). Разведите плату под пайку этих контактов, вертикально ( как в ПЛСМ), можно с обвесом требуемой для проверки схемы. Шаг выберите какой нужен для оптопар.

Вставляйте брюхом к верху . Для позиционирования оптопары, по бокам вклейте кусочки текстолита.


п.с. если Вам красота пеходника не важена, то можно подобрать шаг панельки так что-бы порезать ее и склеить. Схему для проверки собрать навесным монтажом.


330 X 330 15.9 Kb Выбросить жалко, как проверить?

история редактирования

oleg1818
Рейтинг: 53/-65
-- написано 23-7-2014 09:18 oleg1818

Обычный мультиметр..сначала одну сторону в режиме проверки полупроводников..затем другую в режиме проверки сопротивления..делов 30 сек на одну оптопару..
Синтетик
Рейтинг: 1556/-387
-- написано 23-7-2014 12:49 Синтетик

Работоспособность самой пары так не проверить.
oleg1818
Рейтинг: 53/-65
-- написано 23-7-2014 14:13 oleg1818

цитата:
Изначально написано Синтетик:

Работоспособность самой пары так не проверить.



Выявить Из большой партии одинаковых изделий, неисправный, таким методом очень даже легко..

200x150 320x240 400x300 800x600    без переносов   
быстрый ответ   

подпись
следующая тема | предыдущая тема

похожие темы
 выбросить жалко.. Домашнее хозяйство

Главная /  Радио /  Выбросить жалко, как проверить? форумы izhevsk.ru

 
 
 
 
 
© ООО "Марк" 2020
 
Интернет-провайдер КК МАРК-ИТТ