izhevsk.ru Главная /  Радио /  прошу подсказать
тема закрыта

Имя:
Пароль:
 зарегистрироваться | Войти через
напоминатель пароля
прошу подсказать
НОВАЯ ТЕМА правила | поиск | картинки | | | о форуме |
  Новости | Авто | Недвижимость | Работа | Бизнес | Стройка | Объявления | Совместная покупка | | |
  следующая тема | предыдущая тема
Автор Тема:   прошу подсказать   версия для печати
deceldrot
Рейтинг: 101/-38
-- написано 16-6-2014 17:55 deceldrot

Знающие люди посдкажите плиз что за диоды, из панели телика ЖК, от 12в светят но не больше 5 штук, по одному не перегорают, размер примерно 2х5мм,
1920 X 1440 683.4 Kb прошу подсказать
Показать текст сообщения полностью
Синтетик
Рейтинг: 1556/-387
-- написано 16-6-2014 18:59 Синтетик

Если от 12 вольт не перегорают, значит это либо кластер из 3-4 кристаллов, либо в своем составе уже содержат гасящий резистор.
deceldrot
Рейтинг: 101/-38
-- написано 16-6-2014 19:50 deceldrot

кластер светит сильнее обычно диода?? ибо когда подцепляю штук пять, слепять писец как, обычные так и штук 15 не высвечивают, их лента 60 штук, хз какой вольтаж подать, у меня в этом суть вопроса(
samtakoi
Рейтинг: 2736/-667
-- написано 16-6-2014 20:06 samtakoi

у меня в светильнике по размеру такие же, по моим подсчетам полуватные, прилеплены к радиатору, напряжение стандартное около 3 вольт
кийон
Рейтинг: 23/-4
-- написано 16-6-2014 23:30 кийон

Светит над столом рабочим такая. Внутри светодиодов встроены стабилитроны, встречно-паралельно, на 5,6в; сами СД сгруппированы в 8 паралельных линий по 8 последовательно в каждой.Рабочий ток каждой линейки 40мА,но.. это когда они в матрице, на аллюминиевом радиаторе. У меня без радиатора, поэтому снизил ток до 20мА, иначе линейку гнуть от жара начинает. Даже в таком, уполовиненном варианте светят ОЧЕНЬ ярко. Питаю от источника тока. Напряжение при этом составляет 45В. Т.е. 8х8(20мА)(5,6В). Кормить от источника напряжения крайне нежелательно.
кийон
Рейтинг: 23/-4
-- написано 16-6-2014 23:51 кийон

цитата:
хз какой вольтаж подать

Сперва разберись как включены(посл-парал). Ещё раз повторю: СД прибор токовый, хоть от киловольта питай, но только не превысь рабочий ток(20мА через кристал- в самый раз). I=U/R!
Синтетик
Рейтинг: 1556/-387
-- написано 17-6-2014 07:33 Синтетик

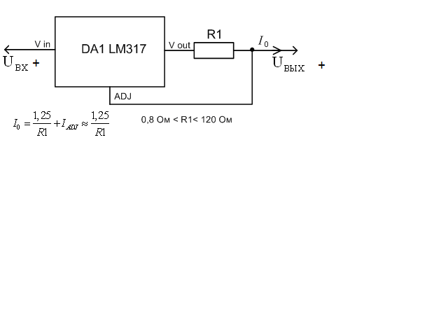
Простейший стабилизатор тока. Даны значения R1 для разного выходного тока.
    20 мА 62 Ом стандартный светодиод
    30 мА (29) 43 Ом "суперфлюкс" и ему подобные
    40 мА (38) 33 Ом "суперфлюкс" и ему подобные
    80 мА (78) 16 Ом четырехкристальные
    350 мА (321) 3,9 Ом одноватные
    750 мА (694) 1,8 Ом трехватные
    1000 мА (962) 1,3 Ом 5 W


640 X 480 10.3 Kb прошу подсказать

история редактирования


200x150 320x240 400x300 800x600    без переносов   
быстрый ответ   

подпись
следующая тема | предыдущая тема

похожие темы
 Нужно прошить микросхему 556RT4 
 нужно прошить 
 Помогите пожалуйста прошить микроконтроллер 

Главная /  Радио /  прошу подсказать форумы izhevsk.ru

 
 
 
 
 
© ООО "Марк" 2020
 
Интернет-провайдер КК МАРК-ИТТ