izhevsk.ru Главная /  Радио /  Проблема с UART
тема закрыта

Имя:
Пароль:
 зарегистрироваться | Войти через
напоминатель пароля
Проблема с UART
НОВАЯ ТЕМА правила | поиск | картинки | | | о форуме |
  Новости | Авто | Недвижимость | Работа | Бизнес | Стройка | Объявления | Совместная покупка | | |
  следующая тема | предыдущая тема
Автор Тема:   Проблема с UART   версия для печати
elveel
Рейтинг: 143/-9
-- написано 16-10-2013 19:53 elveel


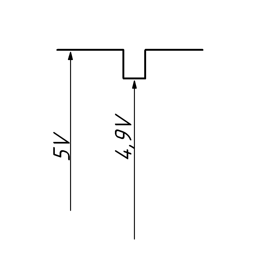
Здравствуйте! Tx на контроллере выдает +4,9V вместо нуля, т.е разница между нулем и единицей 0,1 В.
Вопрос: подскажите красивое решение для превращения +4,9V в 0V
click for enlarge 886 X 874   5.2 Kb picture
Показать текст сообщения полностью
NeiroNx
Рейтинг: 235/-79
-- написано 16-10-2013 21:05 NeiroNx

Операционный усилитель с очень точной подстройкой и питанием 12в - для сравнения стабилизатор на 7,5в, от него подстроечником на 100к выбоираем между 0 и 7.5 ваши 4,91в

А вообще - у вас устройсво сдохло, потому что такого не бывает. 0.1в это паразитное влияние входного сигнала в неисправном устройстве.

LeCafe
Рейтинг: 25/-10
-- написано 16-10-2013 21:09 LeCafe

вместо рисунка лучше бы схему разместил.
elveel
Рейтинг: 143/-9
-- написано 16-10-2013 22:12 elveel

quote:
Originally posted by NeiroNx:

А вообще - у вас устройсво сдохло, потому что такого не бывает. 0.1в это паразитное влияние входного сигнала в неисправном устройстве.



Спасибо! Подозревал, но проверить нечем, осцилл неподходящий. Есть подозрение, что его кто-то выжег, так-как далее стоит исправный преобразователь в 485-й. В остальном железка подает признаки жизни, только маячит о слетевшей из ОЗУ программе.
quote:
Originally posted by LeCafe:

лучше бы схему разместил



Могу фото разместить
di_mon
Рейтинг: 100/-30
-- написано 16-10-2013 22:37 di_mon

красивое решение это назначить вывод контроллера на выход, соответствующим битом. либо резистором подтянуть к земле ТХ и поглядеть неподходящим осцилом а то если выгорает выход то скорее всего и кристалл весь тянет за собой.
elveel
Рейтинг: 143/-9
-- написано 16-10-2013 23:47 elveel

Подтягивал, правда меньше 1к дома не нашел, завтра еще попробую. Насчет всего остального:
elveel
Рейтинг: 143/-9
-- написано 16-10-2013 23:48 elveel


click for enlarge 640 X 480 138.4 Kb picture
di_mon
Рейтинг: 100/-30
-- написано 17-10-2013 00:43 di_mon

фирменная вещь... а целиком фото ? тут бубны с операционником и резисторами не прокатят. Что за контроллер то хоть ?
e-go
Рейтинг: 1943/-680
-- написано 17-10-2013 00:49 e-go

И без фото было понятно, что это готовое изделие, которое требует починки. То есть, варианты с переносом на другую ногу неприменимы. Если действительно так критична починка именно этой платы, можно попробовать применить компаратор и "зацепиться" за эту разницу в 0,1 В. Посмотреть потом на помехоустойчивость.

Конечно, при условии, что вход 485-го преобразователя точно-точно исправен и не он подтягивает линию к плюсу.

elveel
Рейтинг: 143/-9
-- написано 17-10-2013 02:01 elveel

schneider-electric tsx07-nano. У 485-го лапу поднимал, везде мегаомы. Конечно, починка этого контроллера некритична. Цена современной замены гораздо дешевле уже затраченного времени. 12 лет батарейка держала программу в ОЗУ, но всему приходит время. Есть маленькая (очень маленькая) надежда, что производитель станка залил ее еще и в епром. Но, если это действительно он порт выжег, то в епром заливать смысла нет.
Завтра еще покумекаю как вычислить, наводка ли это от Rx. Если за завтра не решу, внутренний счетчик говорит что наступит модернизация станка.
elveel
Рейтинг: 143/-9
-- написано 17-10-2013 12:31 elveel

Попробовал подгрузить меньшим сопротивлением, все подсаживает. Подскажите, может ли это быть НЕ наводкой? Слева Т, справа R:

click for enlarge 1024 X 768   1.1 Mb picture
hexus
Рейтинг: 290/-84
-- написано 17-10-2013 20:03 hexus

попробовать вообще никак не нагружать?

ps купи уже usbee какой-нить, 2 канала было бы в тему либо 1 аналог+1 цифровой, если с rx все в порядке. сразу будет видно, по наводкам/смещению.

elveel
Рейтинг: 143/-9
-- написано 17-10-2013 20:25 elveel

Всем спасибо, господа, я сдался. Дальнейшее ковыряние считаю нецелесообразным. Хотя, возможно кто-нибудь его еще увидит, или поставит замену, если у меня не срастется.
elveel
Рейтинг: 143/-9
-- написано 17-10-2013 20:32 elveel


hexus, Надо бы, да необходимости такой не было, обычно я вглубь не лезу, опыта в контроллерах мало, все по ЧПУ. Взялся посмотреть есть программа или нет. 3 дня ковыряний с проприетарными программами и под ДОСом и под 2000-й результата не дали, полез. А осциллографа для аналоговых приводов мне хватает.

200x150 320x240 400x300 800x600    без переносов   
быстрый ответ   

подпись
следующая тема | предыдущая тема

похожие темы
 МП3 плеер Excplay - проблема 
 Советский аналоговый синтезатор. Помогите запустить, проблема в блоке питания. 
 Решение проблемы бездомных животных. Нужна ли общественная организация? Голосование! О животных
 Прививка АКДС. Проблемы со здоровьем ребенка после вакцинации. Здоровье ребенка
 Проблема с двд-плеером Rolsen RDV-2014 

Главная /  Радио /  Проблема с UART форумы izhevsk.ru

 
 
 
 
 
© ООО "Марк" 2020
 
Интернет-провайдер КК МАРК-ИТТ