izhevsk.ru Главная /  Радио /  подскажите по простейшей схеме
тема закрыта

Имя:
Пароль:
 зарегистрироваться | Войти через
напоминатель пароля
подскажите по простейшей схеме
НОВАЯ ТЕМА правила | поиск | картинки | | | о форуме |
  Новости | Авто | Недвижимость | Работа | Бизнес | Стройка | Объявления | Совместная покупка | | |
  следующая тема | предыдущая тема
Автор Тема:   подскажите по простейшей схеме   версия для печати
DrInfinity
Рейтинг: 13/-3
-- написано 5-9-2013 16:00 DrInfinity

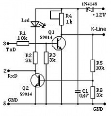
для чего нужен конденсатор, его роль?
click for enlarge 480 X 502 48.0 Kb picture

история редактирования

Показать текст сообщения полностью
Эд
Рейтинг: 92/-22
-- написано 5-9-2013 18:46 Эд

кондер от помех по питанию.
DrInfinity
Рейтинг: 13/-3
-- написано 5-9-2013 19:56 DrInfinity

спасибо, может кто подскажет еще?
нет эха при проверке к-line(кабель USB-RS232 наPL2303), а сигналы по к линии приходят на комп (проверяю в HyperTerminal)
NeiroNx
Рейтинг: 235/-79
-- написано 5-9-2013 20:41 NeiroNx

А светик мигает когда нет эха?
Синтетик
Рейтинг: 1556/-387
-- написано 5-9-2013 21:30 Синтетик

Насколько знаю на k-line используется нестандартная скорость UART. Чтоб 2103 на ней работала нужен другой драйвер. Вот короче.
DrInfinity
Рейтинг: 13/-3
-- написано 6-9-2013 08:14 DrInfinity

quote:
Originally posted by NeiroNx:

А светик мигает когда нет эха?



я без диода сделал, сеня попробую впаять его
quote:
Originally posted by Синтетик:

Насколько знаю на k-line используется нестандартная скорость UART. Чтоб 2103 на ней работала нужен другой драйвер. Вот короче.



да, но это для прошивки/диагностики, а я проверяю только работу самого к-line
транзисторы использовал кт3102д может в них дело? хотя они исправны
Oleg120369
Рейтинг: 111/-21
-- написано 6-9-2013 09:53 Oleg120369

quote:
транзисторы использовал кт3102д может в них дело?

Вряд ли.
DrInfinity
Рейтинг: 13/-3
-- написано 6-9-2013 10:18 DrInfinity

quote:
Originally posted by Oleg120369:

транзисторы использовал кт3102д может в них дело?

Вряд ли.



если Q1 постоянно открыт как это проверить? отпоять коллектор от массы и
замерить ток?

история редактирования

Эд
Рейтинг: 92/-22
-- написано 6-9-2013 14:58 Эд

mA -метр в разрыв коллектора Q1 и R4, либо вольтметром на его коллекторе измерить напряжение. при открытом Q1 там будет около 0в , если закрыт - почти все питание.
DrInfinity
Рейтинг: 13/-3
-- написано 6-9-2013 22:24 DrInfinity

quote:
Originally posted by Эд:

mA -метр в разрыв коллектора Q1 и R4, либо вольтметром на его коллекторе измерить напряжение. при открытом Q1 там будет около 0в , если закрыт - почти все питание.



спасибо, проверил действительно был открыт, поменял транзюки на SS9014D- заработало, НО только с ком портом встроенным в материнку ,а с кабельем USB-RS232 наPL2303 не хочет, куда копать?

история редактирования

Эд
Рейтинг: 92/-22
-- написано 6-9-2013 22:52 Эд

уровень напряжения переходников USB-COM (не проверял.. но вроде так - не больше 5 В )обычно ниже просто COM порта материнки(обычно около 9-12В ). возможно потому и не работает с переходником - проверте как ведет себя Q1 без переходника и с переходником. может быть придется подобрать делитель R1,R3 для надежного открывания Q1. неплохо бы это делать с помощью осциллографа.
DrInfinity
Рейтинг: 13/-3
-- написано 7-9-2013 00:07 DrInfinity

quote:
Originally posted by Эд:

уровень напряжения переходников USB-COM (не проверял.. но вроде так - не больше 5 В )обычно ниже просто COM порта материнки(обычно около 9-12В ). возможно потому и не работает с переходником - проверте как ведет себя Q1 без переходника и с переходником. может быть придется подобрать делитель R1,R3 для надежного открывания Q1. неплохо бы это делать с помощью осциллографа.



разобрался, всем спасибо.
кабель что у меня есть я прихватил при наладке подстанции, он шел в комплекте с бесперебойниками UPS, сама схема надежно упакована в резиновый корпус, я его разрезал, внутри распаяно только 3 конца и они выходят на 1,2 ножку и корпус, я им прошивал эти бесперебойники, вот теперь думаю это RX, TX и GND(типа фирменный кабель сизмененной распиновкой), или же это DC, RX и GND?
http://www.u9s.ru/tech/rs-232/RS-232.html
DrInfinity
Рейтинг: 13/-3
-- написано 7-9-2013 00:09 DrInfinity

есть у кого USB-rs232 за недорого?
MAXXXXXX
Рейтинг: 1/0
-- написано 12-9-2013 11:31 MAXXXXXX

в автозапчастях ктото продавал
электронщик
Рейтинг: 2/0
-- написано 12-9-2013 11:53 электронщик

usb-rs232(TTL) 150р.
ELM327 USB\bluetooth OBD 2 ещё есть

история редактирования

DrInfinity
Рейтинг: 13/-3
-- написано 15-9-2013 15:10 DrInfinity

quote:
Originally posted by электронщик:

usb-rs232(TTL) 150р.
ELM327 USB\bluetooth OBD 2 ещё есть



спасибо, нашел уже аж 2 штуки, все работает

200x150 320x240 400x300 800x600    без переносов   
быстрый ответ   

подпись
следующая тема | предыдущая тема

похожие темы
 Женские мысли в простой и понятной схеме Общение
 Подскажите схему ограничителя напряжения 
 прошу помощи по пустяковой схеме 
 Подскажите схему ФНЧ 
 Кто может составить эл-ую схему 

Главная /  Радио /  подскажите по простейшей схеме форумы izhevsk.ru

 
 
 
 
 
© ООО "Марк" 2020
 
Интернет-провайдер КК МАРК-ИТТ