В общем дана схема параметрического стабилизатора простейшего.
Задача:
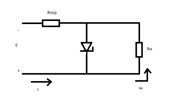
Для стабилизации напряжения на нагрузке (рис.) используется полупроводниковый стабилитрон, напряжение стабилизации которого постоянно и равно Uст.=20 В. Определить пределы изменения сопротивления резистора нагрузки, если напряжение источника питания Е=50 В, а Iст.max=30 мА, Iст.min=2 мА, Rоср.=1 кОм. Будет ли работать схема при Rн=0,5 кОм?
Показать текст сообщения полностью
Задача:
Для стабилизации напряжения на нагрузке (рис.) используется полупроводниковый стабилитрон, напряжение стабилизации которого постоянно и равно Uст.=20 В. Определить пределы изменения сопротивления резистора нагрузки, если напряжение источника питания Е=50 В, а Iст.max=30 мА, Iст.min=2 мА, Rоср.=1 кОм. Будет ли работать схема при Rн=0,5 кОм?
