izhevsk.ru Главная /  Радио /  у кого есть шайбы на 32мм?
тема закрыта

Имя:
Пароль:
 зарегистрироваться | Войти через
напоминатель пароля
у кого есть шайбы на 32мм?
НОВАЯ ТЕМА правила | поиск | картинки | | | о форуме |
  Новости | Авто | Недвижимость | Работа | Бизнес | Стройка | Объявления | Совместная покупка | | |
  следующая тема | предыдущая тема
Автор Тема:   у кого есть шайбы на 32мм?   версия для печати
ALC
Рейтинг: 95/-21
-- написано 13-1-2013 19:03 ALC

максимум, что в магазине нашелл - это 20мм
Показать текст сообщения полностью
DJuk
Рейтинг: 51/-14
-- написано 13-1-2013 19:23 DJuk

у меня есть всякие, тебе каких размеров внутреннего и наружного диаметра надо и сколько шт?
Из какого материала и какой толщины?

история редактирования

ALC
Рейтинг: 95/-21
-- написано 13-1-2013 19:37 ALC

внутренний диаметр 32 мм, общая толщина шайб 7-8мм
DJuk
Рейтинг: 51/-14
-- написано 15-1-2013 04:14 DJuk

quote:
Originally posted by ALC:
внутренний диаметр 32 мм, общая толщина шайб 7-8мм

так я и не понял, наружный диаметр какой ?
Из какого материала надо тебе и сколько штук ?

фаркоп
Рейтинг: 168/-74
-- написано 15-1-2013 10:15 фаркоп

quote:
Originally posted by ALC:
внутренний диаметр 32 мм, общая толщина шайб 7-8мм

если токарю заказать такие,стандартные имеют толщину 2-4 мм.На Сенном не смотрели?

ALC
Рейтинг: 95/-21
-- написано 15-1-2013 11:49 ALC

quote:
Originally posted by фаркоп:

если токарю заказать такие,стандартные имеют толщину 2-4 мм.На Сенном не смотрели?





2-3 шт можно поставить
DJuk
Рейтинг: 51/-14
-- написано 15-1-2013 16:02 DJuk

есть шайбы толщиной от 0,5 - 12мм также и разного внутреннего и наружного диаметра и из разных материалов.

Тебе пойдет шайба из железа 8мм диаметром 32/1000мм

Дк я к чему спрашиваю, потому что эта шайба режется 1 минута, если надо 1шт я тебе бесплатно дам, а ты меня не слышишь.

история редактирования

ALC
Рейтинг: 95/-21
-- написано 15-1-2013 18:06 ALC

мне ннадо n-ное количество шайб с внутренним диаметром 32мм, которые в толщину будут 7-8 мм, по полям - по большому счету не критично
расПУТИН
Рейтинг: 0/0
-- написано 15-1-2013 19:26 расПУТИН

ALC
Рейтинг: 95/-21
-- написано 15-1-2013 19:37 ALC

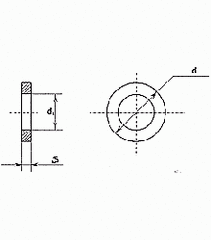
D1 = 32, можно и 33, если самоделка будет
S = 7-8 мм
D - по большому счету вообще не критичный параметр, можно и квадратом оставить
Айрон
Рейтинг: 29/-20
-- написано 15-1-2013 21:39 Айрон

квадратишь практишь гуд.
квадрат то какой? наружный размер - 100мм 500мм 1000мм?
не думай про себя, думай вслух. всем же интересно..
ALC
Рейтинг: 95/-21
-- написано 15-1-2013 21:52 ALC

по госту будет примерно 50, так и обозначу
D=50
D1=32-33
s=7-8
DJuk
Рейтинг: 51/-14
-- написано 16-1-2013 00:02 DJuk

Почем тогда возмешь 50шт шайб следующих размеров
D=42
D1=32
s=8

200x150 320x240 400x300 800x600    без переносов   
быстрый ответ   

подпись
следующая тема | предыдущая тема

Главная /  Радио /  у кого есть шайбы на 32мм? форумы izhevsk.ru

 
 
 
 
 
© ООО "Марк" 2020
 
Интернет-провайдер КК МАРК-ИТТ