izhevsk.ru Главная /  Радио /  расшифруйте надписи на блоке питания
тема закрыта

Имя:
Пароль:
 зарегистрироваться | Войти через
напоминатель пароля
расшифруйте надписи на блоке питания
НОВАЯ ТЕМА правила | поиск | картинки | | | о форуме |
  Новости | Авто | Недвижимость | Работа | Бизнес | Стройка | Объявления | Совместная покупка | | |
  следующая тема | предыдущая тема
Автор Тема:   расшифруйте надписи на блоке питания   версия для печати
ННИ
Рейтинг: 0/-3
-- написано 23-1-2012 20:24 ННИ

блок питания. Не совсем понятно, почему на этикетке входное 120 вольт, а на приборной панели предохранители для напряжения 250 и 32 вольт.

click for enlarge 1920 X 1440 531,8 Kb picture
click for enlarge 1920 X 1440 573,5 Kb picture

исправил некоторые цифры. Это импульсный блок питания от атс панас

история редактирования

Показать текст сообщения полностью
shura
Рейтинг: 16/-2
-- написано 23-1-2012 22:25 shura

покрупнее бы фото шильдиков, этикеток, и там, где написано 115Вольт.
TrAN
Рейтинг: 1/-2
-- написано 23-1-2012 23:20 TrAN

а предохранители всегда вроде на 250 вольт
shura
Рейтинг: 16/-2
-- написано 24-1-2012 00:26 shura

Предохранители с запасом, для входного 250В, для выходного - 32В. как то по забывчивости воткнул "классический" 20-летней давности японский 115-Вольтовый аппарат в 220в (забыл, что тогдашняя техника была родная японская), только предохранитель сгорел, потом через транс запитал, и всё заработало.
Reabus
Рейтинг: 50/-10
-- написано 24-1-2012 10:27 Reabus

На входе один канал 120 вольт 5 Ампер. На выходе четыре независимых канала на 24 вольта 1,8 ампера и один 5 вольт 3,5 ампер.
Как-то так. Выходной разъём не помешает показать.
ННИ
Рейтинг: 0/-3
-- написано 24-1-2012 20:25 ННИ

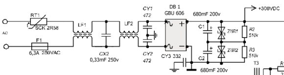
Как ни хотелось себя убедить, что в руках находится локализованный для Росии блок (и пофиг на наклейки) , все говорит о том, что входное все таки - 120 . Кондесаторы на входе на 200 вольт, и все предохранители на плате имеют маркировку 250 вольт
click for enlarge 1920 X 1440 587,2 Kb picture
click for enlarge 1920 X 1440 537,7 Kb picture

история редактирования

DJuk
Рейтинг: 51/-14
написано 24-1-2012 21:01 DJuk

quote:
Originally posted by ННИ:
Кондесаторы на входе на 200 вольт

вообще то в импульсниках почти всегда высоковольтные кондеры стоят на 200v, если их два, они парой работают. Есть импульсники и с одним кондером, но он с напряжением 400v.
Я про блоки питания на 220v.

click for enlarge 800 X 600 49,2 Kb picture

click for enlarge 580 X 154 18,8 Kb picture

история редактирования

ндс
Рейтинг: 1/0
-- написано 24-1-2012 22:25 ндс

интересно, можно ли его включить к нашей сети. Хотя станция старая, но ведь диапазон входных напряжений 110-220 вроде бы появился не сегодня. а?
KorefanS
Рейтинг: 69/-5
-- написано 24-1-2012 22:49 KorefanS

Включать в сеть 220В не стоит. Судя по шильдику аппарат был сделан еще в 2000году (0031, 31 неделя 2000г), хотя могу ошибаться. А в те времена еще не сильно парились с широким диапазоном входных напряжений. Тут же четко написано 120В и 60Гц.
shura
Рейтинг: 16/-2
-- написано 24-1-2012 23:10 shura

quote:
четко написано 120В и 60Гц.
Уж Вы поверьте...( пост #3)

история редактирования

KorefanS
Рейтинг: 69/-5
-- написано 24-1-2012 23:21 KorefanS

quote:
Originally posted by shura:
Уж Вы поверьте...

Чему верить? Тому что заработало при подключении через транс? Верю. Если этот блок включить через трансформатор, то он наверняка тоже заработает. А вот если сразу в 220, то под вопросом. Хотя...

-=*адаптер*=-
Рейтинг: 0/0
-- написано 25-1-2012 01:07 -=*адаптер*=-

да фтыкай,это же не бомба.мак
симум два транзюка сгорят
сменишь на более высоковольтные и апарат будет работать от 220 точно.
shura
Рейтинг: 16/-2
-- написано 25-1-2012 08:32 shura

quote:
Чему верить?
Тому, что написано на приборе, 120В.

200x150 320x240 400x300 800x600    без переносов   
быстрый ответ   

подпись
следующая тема | предыдущая тема

Главная /  Радио /  расшифруйте надписи на блоке питания форумы izhevsk.ru

 
 
 
 
 
© ООО "Марк" 2020
 
Интернет-провайдер КК МАРК-ИТТ