DanilaMaster 08-12-2013 23:27
Не могу вспомнить, но кто то из наших на субботнике в мото школе обещал помочь направить. Отзовись!!! Очень нужен бывает.
Elche 09-12-2013 10:44
Номер 8?
wild-k 09-12-2013 10:52
я бы сделал, легко и не принуждённо, но чота расхотелось мне помогать мотошколе, даже не знаю, почему...
Elche 09-12-2013 11:38
Дядя Костя ну не злись и не обижайся , просто Дядя Сережа реально очень очень занят. Он и мои просьбы не все выполнил. В конце концов он единственный и не повторимый в своем роде)))
wild-k 09-12-2013 11:40
я не злюсь, да и за обиженого не канаю)))
но вот что думаю то говорю, привычка какато дуратская)))
Elche 09-12-2013 12:28
Кто обещал??????
Festo-man 09-12-2013 16:55
Возможно это был я. Но обещание исправить я не давал, а лишь констатировал факт того что электродвигатель на вашем компрессоре сгорел, от того что кабель питания передавлен об обод был, со следами жуткого КЗ.
Новый электро-мотор купить нужно, либо сразу весь компрессор новый.
Моторы такие продают в фирмах Урал-энерго (на холмах за автопарком) и Параллель (находятся на Телегина).
Новый компрессор итальянский можно купить у меня (точнее у нашей конторы).
Дешевле всего будет купить мотор и новый кабель. Подключить его потом могу.
Кстати 3-х фазную розетку на стене нужно менять на современную. Вилка на кабеле от этой розетки разваливается, не ровен час какого-нибудь салабона долбанет 380В.
wild-k 09-12-2013 17:09
у меня пара 380 розеток в сарае валяется новых, могу безвоздмездно отдать.
Festo-man 09-12-2013 17:36
к ним бы еще вилки такого же типа.
wild-k 09-12-2013 17:39
есть пары, белокрасные с крышками...
Festo-man 09-12-2013 17:52
то что надо.
wild-k 09-12-2013 17:54
вкурсе)))
закину в выхи туда.
Festo-man 09-12-2013 18:00
осталось дело за малым - добыть мотор.
Кто там часто бывает - спишите или сфоткайте разборчиво шильдик на моторе и сам мотор с 2х-3х ракурсов (спереди, сзади, сбоку).
Узнаю где такой есть, и сколько стоит.
Насчет кабеля нового, то могу вот этот
https://www.ipro.etm.ru/cat/descsc.html?nn=9876279
по 40 р за 1 м добыть
И В ЭТОТ РАЗ СИЛОВОЙ КАБЕЛЬ НЕ ДЕЛАЙТЕ ДЛИННЫМ!
Чтоб как в прошлый раз его не наматывали на ручку компрессора и не прижимали его к ободу.
Лучше пневматический шланг длинным сделать.
Шланг пневматический могу предложить к примеру наружным диаметром 10 мм по 23 руб за метр. Так и выгоднее чем кабель длинный делать.
DanilaMaster 09-12-2013 20:21
Нет Антон, не ты. Я помню был разговор что у кого то лежит мотор в гараже без дела
wild-k 10-12-2013 09:44
кабель тоже есть, скажите сколько метров надо.
DanilaMaster 10-12-2013 10:05
Розетку и метра 3 провода
wild-k 10-12-2013 15:34
ок босс, будет!!!!
Festo-man 10-12-2013 16:25
каждый раз когда читаю тему, в сердце екает, кто умер?!
Данила,может перефразировать слово умер?
wild-k 10-12-2013 17:04
сдох!!!
раш 10-12-2013 21:21
...ушел в мир иной .
wild-k 10-12-2013 22:25
Ласты склеил...
DanilaMaster 11-12-2013 14:53


DanilaMaster 11-12-2013 14:54


раш 11-12-2013 18:20
о-о-о-о ...СО-7 ещё живы !!!!

Black Macintosh 11-12-2013 19:09
Крышка клеммной коробки не родная...не по ПУЭ

DanilaMaster 11-12-2013 20:44
Ну что товарищи эксперты, кто что скажет
v max 11-12-2013 21:14
завтра в граже гляну, должен быть подобный
раш 11-12-2013 22:11
quote:
Originally posted by DanilaMaster:
Ну что товарищи эксперты, кто что скажет
компрессор СО-7 или его модификация ,двигатель в стоке -4 кВт,2800 об/мин.,можно поставить двиг мощностью 3-4 кВт ,с 1500 об/мин . ,производительность упадет ,но еЁ хватит вполне , компрессор спокойнее и дольше работать будет -проверенно на многих шиномонтажках,именно их раньше и ставили ,колечки ,к стати ,на нем применяются от м-72
.
DanilaMaster 11-12-2013 22:32
Раш сколько стоит примерно такой мотор? И где его можно купить?
раш 11-12-2013 22:41
даже не скажу ,я же не торгаш-ремонтник я

, могу завтра узнать ,но лучше с рук взять ,можно этот перемотать -дешевле выйдет,кабель КГ берите ,не менее 2,5 квадрат.
Festo-man 11-12-2013 23:42
Шильдик потеряли, так и думал:-) я завтра если не забуду узнаю сколь стоит мотор.
DanilaMaster 11-12-2013 23:45
Хорошо
Festo-man 12-12-2013 15:12
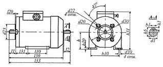
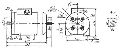
Вот примерно такие цены на моторы (жирным выделено):
Электродвигатель общепромышленного назначения АИР 100 S2 лапы 4.00 кВт 3000 об/мин 4809.00
Электродвигатель общепромышленного назначения АИР 90 L2 лапы 3.00 кВт 3000 об/мин3899.00
Электродвигатель общепромышленного назначения АИР 100 S4 лапы 3.00 кВт 1500 об/мин4884.00


Размер b10 замерьте, ребят? что-то я сомневаюсь подходят ли указанные выше по типоразмеру
DanilaMaster 12-12-2013 15:32
Цены кусачие. Проще новый компр купить
Festo-man 12-12-2013 15:49
так-то да. либо б/у мотор искать такой
раш 12-12-2013 20:34
а отдать перемотать не судьба ??????
раш 12-12-2013 20:39
quote:
Originally posted by Festo-man:
....
Размер b10 замерьте, ребят? что-то я сомневаюсь подходят ли указанные выше по типоразмеру
размеры вооще пофиг . 
Festo-man 12-12-2013 22:20
Перематывать тоже не дешево мне кажется. Тем более там мотор, так и просит пальцы сунуть любопытного. Крышка клеммной коробки одно название.
Лучше бу мотор или новый компрессор
раш 12-12-2013 23:48
quote:
Originally posted by Festo-man:
... так и просит пальцы сунуть любопытного. Крышка клеммной коробки одно название.
Лучше бу мотор ...
ну так и о компрессор обжечься можно ,против любопытного дурака -спасения нет ,какую угодно защиту делай -найдет себе ,,удовольствие,, ....всякого на производстве навидался.
MaKs_I_Kristi 16-12-2013 02:17
49-29-02 ПЕРЕМОТКА ДВИГАТЕЛЕЙ. находятся на Гагарина. Я свой там перематывал.
значительно дешевле вышло чем новый.
udavise 17-12-2013 15:24
Очень плохо без компрессора (((
раш 18-12-2013 07:00
c rdfhnbhfynjd gj 200-300 bkb yf gfnb gj;thndjdfybz cj,hfnm .ult yfhjl ,eltn ,jktt otlh b djghjc htity / nbgf FG )))) /
DanilaMaster 18-12-2013 08:15
quote:
Originally posted by раш:
c rdfhnbhfynjd gj 200-300 bkb yf gfnb gj;thndjdfybz cj,hfnm .ult yfhjl ,eltn ,jktt otlh b djghjc htity / nbgf FG )))) /
с квартирантов по 200-300 или на пати пожертвования собрать югде народ будет более щедр и вопрос решен . типа АП )))) .
Alexey RS 18-12-2013 08:33
А в чем проблема то ? почему собраться не могут ?
В этом году не был , но в том году мотоциклов там стояло столько что не пройти .
со всех собрать по 500 руб и все .
Только судя по тому как ELCHE мается , собирает деньги , после проявленной своей инициативы , сделать это не так просто .
Фонд вам делать надо , собирать со всех взносы и эти взносы использовать на общественные нужды .
Kulich 18-12-2013 09:12
quote:
Originally posted by Alexey RS:
Фонд вам делать надо , собирать со всех взносы и эти взносы использовать на общественные нужды
Чтобы Elhe туда деньги сдавал,ну и еще пара человек )))
wild-k 18-12-2013 10:31
старо предание да верится с трудом...
старый вилд давно понял это.
шиложопая молодёж типа Эльчика ещё пытается что-то сделать...
Хочешь сделать- сделай сам.
не верь
не бойся
не проси.
я так живу))))
только моё мнение, без претензий.
DanilaMaster 18-12-2013 12:37
quote:
Originally posted by Alexey RS:
А в чем проблема то ? почему собраться не могут ?
В этом году не был , но в том году мотоциклов там стояло столько что не пройти .
со всех собрать по 500 руб и все .
Только судя по тому как ELCHE мается , собирает деньги , после проявленной своей инициативы , сделать это не так просто .Фонд вам делать надо , собирать со всех взносы и эти взносы использовать на общественные нужды .
Денежных сборов хватает. Каждую трень скидываемся на чистку трассы, На тренера.
По-этому считаю, что ремонт или покупка компрессора дело добровольное.
Согласен что без него плохо, но и без него прожить можно.
wild-k 18-12-2013 12:39
quote:
но и без него прожить можно.
собственно да.
можно прожить без компрессора
можно прожить без шипованых колёс
можно прожить без кроссового мота
можно прожить ВАЩЕ без мота...
вопрос.
А НАХУЯ ТОГДА ЖИТЬ????
kir123 18-12-2013 16:44
фирма ТМ-Мастер на Телегина занимается ремонтом,ремонтируют что сами компрессоры что движки к ним(делают не дорого) свозите движок, а лучше вместе с компрессором пускай вам сделают все по людски, цену сразу обговорите, делают с гарантией. Если уж и свозить нет возможности то тогда реально без компрессора можно
