Ринатыч 911 30-10-2014 08:25
цитата:
заказал себе USB DAC на процессоре XMOS , 32 бит 384 кгц формат аудио поддерживает!
Что заказал, поподробнее можно?
Arafat 30-10-2014 09:43
цитата:
Сейчас этот КМОС актуальная тема, хотя я не очень врубился, чем он отличается от обычной структуры ЦАП
это приемник сигнала, а не сам цап.
sined4 30-10-2014 22:31
цитата:
это приемник сигнала, а не сам цап.
- да, я неточно выразился - имел ввиду, чем приемник на КМОС лучше стандартной связки "специализированная ИМС-приемник - ЦАП" Джиттер меньше?
RINDIG 30-10-2014 23:35
Xmos 384K 32bit PCM5102 DAC USB

Ринатыч 911 30-10-2014 23:41
цитата:
Xmos 384K 32bit PCM5102 DAC USB
Есть такой девайс, отписывай как придет
Arafat 31-10-2014 12:33
цитата:
чем приемник на КМОС лучше стандартной связки "специализированная ИМС-приемник - ЦАП" Джиттер меньше?
джиттер зависит от качества используемых генераторов, это их характеристика. на фото генератора 3, обозначены х1, х2, х3. какие у них ттх -

sined4 31-10-2014 01:08
Видимо, на КМОС удобнее реализуются всякие хитрые режимы работы УСБ - ASIO или асинхронный режим, так думаю.
RINDIG 31-10-2014 10:22
КМОС мощная микросхема, на нее есть разные прошивки, разные драйвера, много выводов I2s, может быть и вход есть.
Ринатыч есть такой девайс у тебя или как понять?
на моем экземпляре есть выход на наушники, внешнее питание
я еще внешний цап i2s прикупил к ней, подпаяю вторым
Ринатыч 911 31-10-2014 11:07
Девайса у мня нет такого, только ЦАП на рсм1794
RINDIG 11-11-2014 23:16
sined4
Твою схему можно сделать мощной?
Можно ее сделать итуном?
sined4 12-11-2014 10:38
цитата:
Твою схему можно сделать мощной?
- смотря, сколько Вам мощности надо. У меня питание 15 вольт, но транс по току слабый, поэтому питание на большой громкости на несколько вольт подсаживается, но мне и этого хватает - на полную практически не включаю. Т.е. можно поставить транс помощнее, питание еще вольт на 5 поднять (пока ОУ позволяет), но тогда уже транзисторы подходят к пределу по току (у них 4 А), надо более мощные ставить. А для больших токов может не хватить возможностей ОУ, надо двухкаскадный выход. Так что значительное увеличение мощности влечет за собой столько изменений, что проще другую схему собрать.)
цитата:
Можно ее сделать итуном?
- это без проблем. Надо сигнал обратной связи снимать не с нагрузки, а с токоизмерительного резистора небольшого номинала, включенного последовательно с ней.
Усилок, кстати, в отличие от множества бывших у меня до этого моделей, до сих пор не приелся, слушаю подолгу каждый день, звук не утомляет и радует.)
gendalf2 18-11-2014 01:02
вата какая то
Ollema 19-11-2014 18:54
может синтепон? Про что вообще это?
gendalf2 20-11-2014 08:13
я про усилитель
mex 20-11-2014 10:57
решил собрать, но LME49860 в "радио" нет. аналогов вроде тоже нет. где можно купить? в элитане вроде не заказать 2 шт. остальные элементы в радио есть. транс хочу обычный 12В 25Вт, по этой схеме собрать

ZXlab 20-11-2014 20:44
Купить можно на Aliexpress. Там многое можно найти по Вашей теме.
sined4 20-11-2014 22:16
цитата:
решил собрать
- уверен, не пожалеете. Я для себя, по крайней мере, тему с усилением закрыл. Операционник на первое время пойдет любой сдвоенный со стандартной разводкой (ставьте на панельку, чтобы потом поменять). Можно NE5532, TL072 и множество других. Важно! Последовательно выходу ОУ нужен резистор ом на 20-30, иначе возможен возбуд! Удачи.
ЗЫ Все-таки лучше вариант с двухполярным питанием, или выходной электролит ставьте емкостью побольше, а то низы будет подрезать.
RINDIG 21-11-2014 15:00
можно ли ОУ запитать от 15 вольт, а на транзисторы подать 28 вольт?
можно ли транзисторы на мосфеты заменить?
схема из себя представляет умощненный выход оу?
на фото из первого поста я вижу только два транзистора, для стерео же 4 надо
качественные и не дорогие оу OPA2134PA
sined4 21-11-2014 16:51
цитата:
можно ли ОУ запитать от 15 вольт, а на транзисторы подать 28 вольт?
-думаю, можно, но большого смысла в этом нет - выходной каскад - эмиттерный повторитель, он не может выдать больше, чем ОУ
цитата:
можно ли транзисторы на мосфеты заменить?
- можно, но у них напряжение открывания выше, чем у биполяров, может ООС не успеть отработать исажения
цитата:
схема из себя представляет умощненный выход оу?
- да, максимально простой вариант умощнения
цитата:
на фото из первого поста я вижу только два транзистора, для стерео же 4 надо
- там по два скручены бутербродом, так как на разумной громкости почти не греются, а схема - это схема одного канала, второй аналогичен.
Alkatraz 24-11-2014 12:11
цитата:
Originally posted by mex:
в элитане вроде не заказать 2 шт.
Можно воспользоваться совместной покупкой в Элитане -
https://izhevsk.ru/forummessage/117/3733639.htmlОн сдвоенный, можно и одним обойтись.
Вот операционник посвежее LME49990, правда одноканальный.
Arafat 24-11-2014 15:26
цитата:
Изначально написано mex:
решил собрать, но LME49860 в "радио" нет. аналогов вроде тоже нет. где можно купить? в элитане вроде не заказать 2 шт. остальные элементы в радио есть. транс хочу обычный 12В 25Вт, по этой схеме собрать
могу тебе продать lm6172 в so8 или ad8066

Arafat 24-11-2014 15:28
цитата:
Купить можно на Aliexpress. Там многое можно найти по Вашей теме.
аккуратно, смотрите на цену. там поддельными ОУ иногда торгуют (перемаркированными).
mex 01-12-2014 14:12
а на транзисторы радиаторы нужны? я пока только половину схемы успел спаять

вроде рассчитываю на радиатор посадить, но у меня изолирующей прокладки пока нет. вот такую плату 45х70 делаю по колхозному

sined4 01-12-2014 22:35
Ну уж и по колхозному) Я вообще сажал детальки на макетку как покрасивее, а потом тупо снизу проводочками распаивал. Радиатор нужен, но гораздо меньше, чем в обычных усилках - посмотрите на фото - там алюминиевая пластинка 5*5 см и то много.
RINDIG 02-12-2014 14:13
Можно микросхемный усилок или транзисторный из АБ класса в Б класс перевести не сложной переделкой?
sined4 02-12-2014 15:51
цитата:
АБ класса в Б класс перевести не сложной переделкой?
- в том то и дело, что нет. Поэтому я и замутил этот проектик. Вот в класс А можно перевести - добавлением резистора или источника тока с шины питания на выход, а в Б - никак. По-прежнему доволен звучанием схемы - не утомляет абсолютно, на смену источников реагирует очень чутко (т.е. потенциал схемы намного выше).
ЗЫ Вообще-то дискретный транзисторник все-таки можно. Надо просто цепи, задающие ток покоя убрать - но там надо тщательно схему анализировать, они в заводских усилках как правило достаточно навороченные - там и смещение, и цепи токовой защиты, поди разберись. Мне было проще с нуля собрать.
ShAlex 03-12-2014 02:31
Народ, вы чего? Новый клуб, как фанаты "лампового звука", только фанаты искажения "ступенька" и любители бесконечного порядка гармоник?

Во все времена стремились сделать похожее на А, уйти от Б. Не понимаю я эту новую моду.
Схема в посте 124 никак АБ не пахнет. Это очень страшный Б.
sined4 03-12-2014 11:43
Главное достоинство - просто, мало ест и не выделяет тепла, возможность апгрейда ОУ на все более совершенные. А искажения хоть убейте не слышу - посмотрите осциллограммы - их спектр только начинается от 2 МГц, ну как это возможно услышать? Еще для размышления - почитайте отзывы на Квод (он работает в классе Б) а также прикиньте, какие искажения может вносить узел, задающий смещение.
RINDIG 03-12-2014 12:10
я всегда любил простоту схем без лишних наворотов
ShAlex 03-12-2014 12:51
цитата:
прикиньте, какие искажения может вносить узел, задающий смещение.
Как раз этот узел "ступеньку" уменьшает. Другое дело, что только пассивом не отделаться.
sined4 03-12-2014 22:15
Ступеньку уменьшает, да, но схема со смещением имеет свои специфические искажения, связанные с тем, что при переходе сигнала через нуль открыты оба транзистора (кажется, это называется переходные искажения 2-го рода). Далее - смещение как правило берется с основной шины питания - соответственно вся грязь с нее лезет в выходной каскад. И, наконец, смещение хоть диодом, хоть тразистором в диодном включении приводит к появлению на пути сигнала одного-двух p-n переходов. Это я уже не говорю о снижении коэф-та усиления из-за цепей смещения, геморроя с настройкой тока покоя и термостабилизацией.
sined4 03-12-2014 22:19
ЗЫ неоднократно подчеркивал, что данная схема понравилась именно неутомительностью, т.е. я ее (это конечно личные ощущения) могу слушать гораздо дольше, чем бывшие до этого фирменные усилки. Логически порассуждав, получается что это свойство и может быть обусловлено режимом класса Б (без цепей смещения), так как по формальным параметрам "фирма" наверняка лучше.
ShAlex 04-12-2014 12:12
цитата:
имеет свои специфические искажения, связанные с тем, что при переходе сигнала через нуль открыты оба транзистора (кажется, это называется переходные искажения 2-го рода)
Не из-за "открыты", а из-за того, что закрыты. Это как раз про вашу схему. До +-0,5 В, на вых. ОУ, динамик раскачивается всего лишь через 100 омный резистор. На 4 омной нагрузке это ослабление на 28 dB. После повышения напруги на выходе ОУ, открывается к.л. выходник с его усилением, близким к 0 dB. С парой Ватт эта схема справится (за счёт скорости и устойчивости ОУ), с большей вылезут грабли.
цитата:
смещение как правило берется с основной шины питания - соответственно вся грязь с нее лезет в выходной каскад
Грязь с питания почему через ОУ и выходники не лезет?
цитата:
И, наконец, смещение хоть диодом, хоть тразистором в диодном включении приводит к появлению на пути сигнала одного-двух p-n переходов.
На пути уже есть п-н переход, это выходник. Если добавить всего лишь 1 переход, он будет неправильный, потому что ток базы должен задавать, в первую очередь, ОУ, а не что-то ещё, зависящее от питания и прочего. Задача "преднатяга" в выходниках самая сложная и интересная. При всём размахе вых. напряжения, транзисторы НЕ должны закрываться наглухо, т.е должен всегда течь ток (в половине времени это сквозной ток). И не отрываясь от этой задачи, нужно уметь выдавать в нагрузку всю мощу питания, в зависимости от выхода ОУ. На паре "переходов" это не сделать, это сложнее на порядок.
Повторюсь, для пары Ватт эта схема хорошая. Раскачать более тяжёлые выходники ОУ, напрямую, не сможет. Другой момент, у того же ОПА134, мас. выход меньше питания на 2,5 В. Добавить сюда БЭ транзистора, это 3 В. При однополярном 12 В, 12-6=всего 3 В размаха и 1,125 Вт на синусоиде (4 Ом).
sined4 04-12-2014 17:05
цитата:
Не из-за "открыты", а из-за того, что закрыты.
- я говорил не про банальную ступеньку, а про специфические искажения именно класса АБ. К сожалению, не могу вспомнить источник, потом ссылку приведу. Но то что они есть - это точно, так как все равно, даже при большом токе покоя, рано или поздно один из транзисторов закроется, и вот в момент перехода из режима "оба открыты" в режим "открыт только один" эти искажения и возникают.
цитата:
Грязь с питания почему через ОУ и выходники не лезет?
- потому что как ОУ, так и ЭП имеют гораздо более высокий PSRR (коэффициент подавления пульсаций источника питания), чем источник тока смещения.
цитата:
Другой момент, у того же ОПА134, мас. выход меньше питания на 2,5 В. Добавить сюда БЭ транзистора, это 3 В. При однополярном 12 В, 12-6=всего 3 В размаха и 1,125 Вт на синусоиде (4 Ом).
- с этим согласен, но можно и rail-to-rail ОУ поставить, да я и не предлагал схему с однополярным питанием как основной вариант, конечно двухполярное предпочтительнее.
ShAlex 05-12-2014 02:47
Некоторые нюансы. Искажения возникнут, когда нужен ток в другом плече, а оно всё закрыто, на открытие нужно время. Это стандартно для большинства усилителей, от этого нужно уходить. Сквозной ток, моё мнение, должен быть всегда.
цитата:
- потому что как ОУ, так и ЭП имеют гораздо более высокий PSRR (коэффициент подавления пульсаций источника питания), чем источник тока смещения.
Отличный и правильный ответ, какой я и ожидал!

Но и источник тока смещения можно сделать с "игнорированием" скачков питания. Вдобавок, можно сделать его управляемым ОУ, + этим решить проблему "низковольтного" выхода ОУ. Сквозной ток не нужен очень стабильный, главное держать транзисторы "заряженными". На вых. сигнал его величина влияния не оказывает.
ОУ rail-to-rail хуже по другим параметрам, чем не имеющие этой способности. Общее питание выходников и ОУ не есть гут.
Вот, чем я маялся лет 20 назад
. Номиналы и не совсем правильное убрал, оставил идею.
Были и такие варианты, это одно плечо.
зы. Звиняйте, что как всегда, увёл тему.
Alkatraz 05-12-2014 12:34
Наверно буду банален, но как вариант Lynx HA61?
sined4 05-12-2014 13:17
Я с большим уважением отношусь к тем, кто может придумывать и воплощать в жизнь столь сложные задумки. Однако для любой реальной задачи всегда возможен спектр решений - от "очень хорошо, но сложно" до "совсем просто, но быстро". Моя поделка собирается за пару часов, играет, поверьте, весьма неплохо, если не ставить задачу трясти мебель и пугать соседей. Естественно, это ни в коем разе не отменяет существование других вариантов. Но, боюсь, у большинства современных "паятелей" навороченную схему собирать просто руки не дойдут (нужно время, достаточно сложная в разводке плата ну и тд).
Ринатыч 911 05-12-2014 13:21
цитата:
Lynx HA61
Это же ушной усь
Alkatraz 05-12-2014 13:50
цитата:
Originally posted by Ринатыч 911:
Это же ушной усь
Точно, но прочитать все равно полезно
RINDIG 28-12-2014 20:17
Какими транзисторами заменить можно ? КТ815 подойдут ?
sined4 29-12-2014 12:47
цитата:
КТ815 подойдут ?
- ну, как совсем уж крайний вариант. Максимальный ток всего 1,5 Ампера (а тут надо 4 А как минимум при питании +- 12 вольт), очень большой разброс коэффициента усил-я по току. Так что разве что для опытов с недорогим динамиком и на небольшой громкости. Лучше уж все-таки импорт, там аналогов гораздо больше. Рекомендую поискать по словам "пары для УНЧ". Где-то в интернете находил такие подборки в виде таблиц.
sined4 29-12-2014 12:51
Добавление - посмотрел даташит, у БД139 ток тоже 1,5 А, а я его всю жизнь за 4-х Амперный считал))). И его действительно рекомендуют как замену кт815, так что видимо пойдет, но я бы все же взял импорт и помощнее (видимо спасает невысокое напряжение, небольшая громкость, на которой слушаю и высокий пик-фактор у музыки)))
mex 15-03-2015 20:25
спаял) свободный день выдался, все спаял - подключил проверить и сидел слушал полтора часа)) может я чего не понимаю, еще и микросхема пока дешевая NE5532 (наверное ее и оставлю) но мое мнение - звук приятный, не хочется выключать. сравнивал со своим музыкальным центром - самодельный приятнее, детальнее - даже я чувствую.. может потому что сам паял

в-общем я очень рад)
мощности хватает даже при однополярном питании. греется совсем немного, радиатор слегка теплый на громкости выше среднего. хотел сначала в колонку засунуть, но теперь хочу отдельный корпус сделать. посоветуйте регулятор громкости (потенциометр) какой взять? я в них не разбираюсь, это мой первый усилитель

Ринатыч 911 15-03-2015 21:53
цитата:
спаял) свободный день выдался, все спаял - подключил проверить и сидел слушал полтора часа)) может я чего не понимаю, еще и микросхема пока дешевая NE5532 (наверное ее и оставлю) но мое мнение - звук приятный
Охренеть, ты бросил пить, наконец то спаял))))
RINDIG 17-03-2015 22:21
Я узнал что есть ОУ с высоковольтным питанием , даже +-50 вольт
на таких ОУ усилитель мощнее получится ? и подойдут ли такие ?
может есть оу с питанием +-25 вольт?
Ollema 18-03-2015 15:57
Мощность не напряжением определяется, а силой тока, которую способен выдать усилитель.
Для искателей ненапряжного звука советую продегустировать ЦАП TDA1543 без цифрового фильтра. Микра сразу 2 канала, 8 ног, цепляется по i2s очень просто. Еще 4 микросхемы AD844 (в элитане есть, сам буду заказывать) - и вы владелец классного звука. Даже джиттер этому ЦАПу не страшен (в разумных пределах) - так как без цифрового фильтра и мультибитник.
Я собрал и офигел!
Ринатыч 911 18-03-2015 19:10
To Ollema есть ЦАП на TDA1543?
Ollema 18-03-2015 19:43
Есть. На аудиофильной фанерке собран.
Ринатыч 911 18-03-2015 20:01
Цитирую Семигора: TDA1543 - дерьмо редкое.
Если хочешь создать народный ЦАП - состыкуй CS8412 с LC7881. Он
мультибитовый, стоит доллар, звучит хорошо и имеет выход по напряжению
без встроенных ОУ.
Ollema 18-03-2015 20:07
Это всего лишь его личное мнение. Оно необязательно к принятию.
К тому же приготовить можно по разному, возможно ему не понравилась какая то конкретная реализация.
Ринатыч 911 18-03-2015 20:14
Согласен, мнение и уши у всех разные, как нить отслушать фанерку можно будет?
Ollema 18-03-2015 20:25
Можно договориться.
Ринатыч 911 18-03-2015 20:29
хотелось бы конечно на своей системе послушать, но на фанерке аппарат наверное не транспортабелен?
Ollema 18-03-2015 20:38
Легко переносится. Подключается к компу по USB. Можно вечером после 18. Где место дислокации находится?
Ринатыч 911 18-03-2015 20:42
Мне конечно бы по СПИДФ было бы лучше, по USB тоже конечно можно - либо через комп, либо через мой источник, он только под линуксом, дислокация - татарбазар.
Ollema 18-03-2015 20:56
Если под линуксом пробовал подключать Флеменко, то без проблем. Желателен, конечно хай-рез (96 кГц). Сейчас генератор запаян именно для частот, кратных 48, но могу и на 44,1 перепаять - смотря какая у тебя музыка. Где именно на татарбазаре? Можешь в личку написать. Я в районе вокзала бываю часто.
Если доставку организуешь, то можно еще мой проигрыватель SD карт с PCM1794 захватить с собой. Он читает wav 44-96 * 16-24, flac или MP3 44-48 * 16.
Ринатыч 911 18-03-2015 21:05
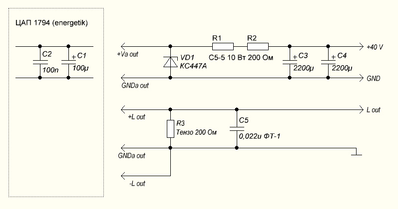
Да музычку найдем, у самого на ЦАП рсм1794, так что пока он не интересен, см. личку
Ринатыч 911 19-03-2015 11:38
цитата:
Originally posted by Ринатыч 911:
SD карт с PCM1794
Как он звучит относительно тда1543?
Ollema 19-03-2015 15:35
У меня PCM1794 с преобразователем i/u на тензорезисторе 100 Ом + конденсатор 0,02u. И используется один (из двух дифференциальных) только выход. Звучит хорошо.
Но у TDA1543 совершенно иной звук. Он более телесный и живой. Сыну дал послушать, теперь он тоже себе такой хочет.
Лучше - хуже - это нужно самостоятельно решать, слишком все индивидуально.
mex 26-03-2015 18:44
появилась проблема - сильное искажение звука, звук "хрипит".
все было нормально, когда было собрано на столе. потом поместил в корпус, добавил ручку регулятора громкости, выключатель, входные разъемы на корпус поместил и выход на колонки колодкой сделал.
когда подключена только ОДНА колонка, причем на любой канал - все хорошо на любой громкости, но как только подключаешь вторую - появляется хрипение на обоих каналах.
питание (транс) отключал вообще, подавал с другого источника питания (БП АТХ) - тоже самое.
"массу" на входных разъемах проверял, все путем. конденсатор на выходе диодного моста добавлял новый 16В 2200 мкФ - не помогает никак.
причем если взяться рукой за оба входных тюльпана (минусовая оболочка) - то помехи почти пропадают.
p.s. - похоже конденсатор (питания) я зря так близко к микросхеме разместил, может от него помехи идут. попробую перепаять подальше.

mex 27-03-2015 20:31
перепаял конденсатор подальше от микросхемы, все стало хорошо

sined4 28-03-2015 17:21
Всем здравствуйте, тут оказывается вовсю разговор идет, а у меня почему-то сигнализатор о новых сообщениях в теме пропал (((. MEX, рад что Вам понравился звук и спасибо на добром слове. У меня 2 таких усилка трудятся практически 24 часа в сутки, и лучше лично мне не надо. БП конечно лучше выполнять отдельным блоком, не надо будет тащить помехи на сигнальную плату и в дальнейшем можно использовать в другом проекте. Однако, хозяин-барин. Если будут вопросы - можно писать сюда и дублировать в личку, чтобы я увидел. Успехов.
morris5115 13-04-2015 08:08
Здравствуйте! Может есть у кого выше названный операционник LME49860 на продажу? Готов приобрести...
BadMadaFucker 15-04-2015 14:16
Ребят, есть возможность собрать мне простенький усилок на 7 каналов + саб со смещением по фазам и задержками (ну типа - dolby pro помоему так делает)? Кстати, для авто. За деньги, конечно!!
sined4 15-04-2015 22:34
цитата:
Может есть у кого выше названный операционник LME49860 на продажу?
- 1 экземпляр могу продать, звоните.
mex 24-04-2015 13:19
Как можно избавиться от хлопка при включении? Включаю - хлопок на обе колонки, секунду-две тишина и потом музыка. Реле поставить с задержкой включения колонок (чтоб разряжался на резисторы) на пару секунд? по этой схеме собрано

sined4 24-04-2015 15:38
Да, у этой схемы проблема в том, что выходной кондер должен зарядиться до половины питания сначала, и он это делает через динамик - отсюда хлопок. Можно от правого по схеме вывода кондера на землю повесить резистор 30-50 Ом, а динамик подключать с задержкой с помощью реле (таких схем много в интернете) или простого тумблера, уже после того как зарядится кондер. Удачи.
ЗЫ Но лучше на двухполярное перейти - и качество выше, и хлопка у меня вообще нет как при вкл так и при выкл.
mex 26-07-2015 11:19
quote:
Но лучше на двухполярное перейти
сделал на двухполярном. как усилитель все хорошо работает. решил пойти дальше - взял FM-трансмиттер, нашел у него аудио выход, подпаялся, подал на вход усилителя. теперь он у меня флешки читает и дисплей показывает. проблема опять же появилась - помехи, звук хрипит если FM-трансмиттер близко к трансформатору. на 20 см слегка но все равно слышно, чем ближе тем сильнее, в 5 см вообще ужасно. это транс на трансмиттер помехи дает или трансмиттер на транс модуляцией FM канала? пробовал помещать между ними металлическую пластину - никак не влияет, а вроде даже хуже делает. корпус такого огромного размера не вариант. как уместить их в одном корпусе и чтоб не было помех? может на FM-трансмиттере отпаять антенну попробовать?
MyName2008 26-07-2015 20:38
Ампутировать передатчик если он на отдельной микросхеме
sined4 27-07-2015 13:20
quote:
как уместить их в одном корпусе и чтоб не было помех?
- сложно сказать. Конечно, скорее всего, из-за передатчика. У усилителя полоса широкая (оттого он так хорошо и играет))), вот и цепляет какие-то спектральные составляющие от модулятора. Возможные варианты решения -
1. Все длинные провода свить с мелким шагом или лучше экранированные поставить.
2. Поставить фильтры по входу и по выходу (но качество может пострадать)
3. Если экранируете - то пластина обязательно должна быть подключена к земле, иначе она становится вторичным излучателем.
4. Самое радикальное - если Вам собственно модулятор не нужен, а надо только флешки и экран, то отрубить, как уже написали, питание ВЧ передатчика (например, дорожку на плате перерезать).
Надеюсь, помог. Удачи.
Zero237 02-08-2015 15:46
quote:
sined4
Инвертирующее включение с парой дарлингтонов на выходе, на мой взгляд выглядит интереснее при той же схемной простоте. Не пробовали? Как вариант)
sined4 02-08-2015 16:22
quote:
Не пробовали?
- думал ). Но есть пара моментов против: у инверсного включения низкое входное сопротивление, те нужно ставить повторитель на входе, что уже противоречит задумке предельно простой схемы. Второе: все говорят, что инверсное лучше звучит, но в чем конкретно лучше, никто внятно не описывает, из чего можно сделать вывод, что это на уровне микронюансов либо вообще самовнушение (ну типа, собрал уже, тем более сам, должно же оно хоть в чем то лучше быть)).
ПС Тем не менее, если руки дойдут - попробую )) А вдруг?
Zero237 02-08-2015 18:57
quote:
у инверсного включения низкое входное сопротивление
Любое. Ограничено только сопротивлением в ООС, которое конечно разумнее делать не выше 500к, из соображений шумности.
При 10к входного и примерно 350к в ООС, входное примерно = 0,6в. В большинстве источников, умеющих работать с минималиным искажениями на 2ком, и выходным нормированным не ниже 0,8 - отличное решение. ИМХО.
quote:
те нужно ставить повторитель на входе
Из вышеизложенного - ненужно.
quote:
говорят, что инверсное лучше звучит, но в чем конкретно лучше, никто внятно не описывает, из чего можно сделать вывод, что это на уровне микронюансов либо вообще самовнушение
Нет не внушение. Симулятор почти не определяет разницы, а уши - однозначно. Вероятно работают несколько факторов, которые обычно опускают оценивая основные параметры УНЧ. Думаю следует обращать внимание на переходную характеристику (реакция на скачок напряжения должна быть без выбросов) ФЧХ устройства. (Что важно для точной передачи фронтов и локализацию)И способность не перегружаясь воспроизводить многочастотные сигналы, особенно ВЧ компоненты. (многие "великолепные" решения, грешат в этих режимах микроподвозбудами и коротким клиппом на ВЧ фрагментах, с синфазной составляющей.) Большинство из перечисленных проблем, свойственны неинвертам - топологически)
ИМХо.
ЗЫ. Вы попробуйте дарлингтоны, даже в таком включении. Основные параметры, например увеличение неискажённая мощность - получатся совершенно бесплатно) Да и КНИ, КИИ, - упадают на симуляшке) Есл дойдут руки канешно) Например BDX54, или хоть бы и TIPы.
------------------------------------------------------------------------
Хотя слехка доработанный старый добрый Агеевский параллельник, даст фору таким решениям на мой взгляд)) Сори, за длинно )
sined4 02-08-2015 20:10
quote:
а уши - однозначно
- чтобы сделать такой вывод (имхо!) нужно иметь два усилителя, собранных а) на одного класса комплектующих б) по предельно простой схеме (чтобы отличие было только во включении ОУ, а не в других схемотехнических наворотах). Если у Вас был подобный эксперимент - с огромным вниманием выслушаю, какие именно отличия в лучшую сторону несет с собой инвертирующее включение? Не отвергая саму идею, убедительного ответа на многочисленных форумах я так и не нашел. Боюсь, кончится тем, что соберу сам и потом вам всем расскажу, стоит или не стоит (ударение на о))).
ЗЫ Дарлингтоны пробовал - становится более глубоким бас, рельефнее СЧ, но страдает прозрачность, детальность и ВЧ, плюс появляется какой-то неприятный "бубнеж" в верхней части НЧ. В принципе не критично, можно и с Дарлингтонами жить, но в данной схеме ООС придется удвоенную ступеньку отрабатывать.
ЗЫЗЫ Спасибо за проявленное внимание, я как себе эту схему в двух экземплярах собрал, совсем про усилители забыл, а вот сейчас опять руки зачесались, но дел пока много)))
sined4 02-08-2015 20:22
quote:
микроподвозбудами и коротким клиппом на ВЧ фрагментах
- да их динамик все равно не отработает, не успеет.
Zero237 02-08-2015 20:41
quote:
не успеет.
Поэтому и горят пищалки) Дело даже не в скорости дина, дело в том, ЧТО он изобразит, безнадёжно отставая) Ведь большая часть искажений и заключается в лютых тормозах катушки при клиппе, даже весьма малом, на фоне прорисовки обычного низкого фронта... Как вы правильно заметили, ВСЕ огрехи тракта, следует считать только в комплексе с акустикой, учитывая что параметры рекламные - отнюдь не исчерпывающие) Люди с хорошим слухом, иногда выглядят весьма растерянно, читая параметры одновременно прослушиваемого девайса.
Zero237 02-08-2015 22:48
quote:
был подобный эксперимент
Как то собрал по принципу "из того что было" -агеевский мощник 80какого то года, по просьбе товарища как НЧ звено в биампинг. Именно его мучил в разных включениях и сопротивлении нагрузки. По итогу оказались лишними детальки меж баз ВК, и вольтодобавка. ОПА604 с напр.24в, прокачивал 100вт с искажухой менее 0,05% в полосе с дарлигами на выхлопе. (4шт ТИП142\147) В результате, все 4 канала были сделаны именно по такой схеме, и в отличие от меня, товарищ музыкант восхищался именно вариантом Инверта, хотя я разницы особо не вкурил) Кроме того, так удалось полностью избавится от подвозбудов при навесном монтаже, иногда размывающих синус в неинверте.
Это что касается практики. Делал КВОД 405й, и вот на нём,сам услышал что вариант инверта на монтажке, звучит гораздо чётче артикулируя мелоч, и от басов - вздрагиваеш на композициях Yello или DeepPurple с быстрой атакой, когда в неинверте - всё немного тускнеет, а верха сливаются в жёсткий трэш..
Возмутил именно верх) Вобщем с тех пор, -"я себе уже всё доказал")
ЗЫ. Практически любой, достаточно быстрый УМ, очень неплохо работает на одиночную ШПголовку. Опять же субьективно - сублимат моего мнения; На сложную комплексную нагрузку, работают хорошо единицы из схемотехнически почти безупречных УН. Обойти эти грабли, можно активным биампингом применяя схемотехнику КВОДа например, или даже Агеевский паралельник, как ни странно). Это не так сложно или дорого, если говорить о действительно ХиФи. Но убить звук в тракте, может и малозначимая деталь) Например недавнее сравнение обычного (дорогого) регулятора громкости с релейным Никитинским (гуглится), Напроч отвратило меня от позолоченых Альпсов и тем более цифровых потенциометров. Это сравнение даже глухого проймёт очевидностью)))Так вот как то) И вам спасибо диалог)
sined4 03-08-2015 12:38
quote:
По итогу оказались лишними детальки меж баз ВК, и вольтодобавка.
- ну вот и я про то же)))
quote:
товарищ музыкант восхищался именно вариантом Инверта, хотя я разницы особо не вкурил)
- ну может настроение у него было) а насчет разницы - Вам как то больше доверяю, вряд ли она существенная
quote:
На сложную комплексную нагрузку, работают хорошо единицы из схемотехнически почти безупречных УН
- это важно! где-то уже упоминал, что динамик - это солянка из компромиссов технических. Многополосная система - тем более. Сейчас вертится в голове идея, как это обойти, может озвучу в ближайшее время. На данный момент имею твердое убеждение, что любая динамическая система неспособна в принципе воспроизвести реальный динамический диапазон даже обычного человеческого голоса, не говоря уже о смычковых, ударных и тп. Будем думать)))
quote:
с релейным Никитинским (гуглится),
- попробую на досуге. Релейный, конечно, не спаяю, но набрать пару-тройку значений делителей могу и сравню с плавным потенциометром.
Zero237 03-08-2015 01:33
quote:
Релейный, конечно, не спаяю
Отчего же?)) Могу подарить 5штучек такамисава RY12W-K. Просто так. Паяйте, не пожалеете.
Сам собрал на более миниатюрных (и дорогих)HA5W, но лишних, увы нет)
Набирал из обычных СМД, оказавшимися на удивление точными. По крайней мере в этих приближениях. Рекомендую. Делал именно на инверт 10ком. НЕ жалею ниразу)Могу поделится рисунко печатки управления с некоторыми добавлениями, например замена тр.ключей микрой ULN, (файл Лайот)впрочем на микроконтроллере конечно технологичнее, но я их так и не полюбил))
Оказывается при изменяемом коэффициэнте передачи - неизменное вх\R, важно, поскольку безусловно слышно даже мне)
quote:
На данный момент имею твердое убеждение, что любая динамическая система неспособна в принципе воспроизвести реальный динамический диапазон даже обычного человеческого голоса
Подобная категоричность меня тоже посещала недавно) В результате весьма занимательных, подробных но неряшливых экспериментов, для себя определил перспективными -самодельные ленточные излучатели на неодимах и конечно поразившие меня "линейные массивы". Использование первых как очень линейного ВЧ звена, (в силу естественных частотных ограничений характеристик тр-ра на феррите) а вторых - как СЧ -звена в трёхполоске. Использование 4х недорогих 5гдш в СЧ звене например, - даёт сумашедшее разрешение, д.диапазон и обьём, весьма простым но эффективным способом. Но расширение полосы вниз, увы недостаточное.. Поэтому внизу - обычные диффузорники, где (соглашаюсь с вами)) - их удел. Опускаю многочисленные попытки намотки различных З\катушек и супермощных МС. Других излучателей (например плоскопанельных)не впечатлился дальше макетных проб. Слишком своеобразные АЧХ\ФЧХ, при отсутствии точно- измерительных возможностей..
Поэтому, соглашаясь с вами о "солянке компромиссов" в отдельной ДГ, не могу согласится с выводами о многополоске. Как раз в ней, мы имеем возможность разложить по полочкам продукты, каждый из которых по отдельности отнюдь неплох. Если не заставлять его делать то, чего он по определению неспособен.
Синтетик 03-08-2015 18:48
quote:
Изначально написано sined4:
На данный момент имею твердое убеждение, что любая динамическая система неспособна в принципе воспроизвести реальный динамический диапазон даже обычного человеческого голоса
Может быть ионофон? Никаких подвижных элементов. Но кажется не будет хватать "низов".
sined4 03-08-2015 23:05
quote:
Может быть ионофон?
- убежден, что в недалеком будущем качественный излучатель будет выглядеть примерно так: продуваемый воздухом некий управляемый элемент (типа такого, как в гармони например, только не резонансного типа, а широкополосный, управляемый например электромагнитной системой), который просто будет модулировать проходящий воздушный поток. ИМХО, только такая система способна воспроизвести звуки, близкие к реальным, без деления на полосы и резонансных "хвостов". По сути, это упрощенная модель голосовых связок, ну или некоторых духовых инстументов.
quote:
Использование 4х недорогих 5гдш в СЧ звене например,
- завидую Вашему трудолюбию и увлеченности. Я на такие эксперименты не решаюсь по причине не очень прямых рук и природной лени. Кстати, использование нескольких СЧ весьма оправдано - суммарная площадь - как у НЧ динамика, но при этом динамические характеристики остаются высокими (за счет четырех раздельных "моторов").
Zero237 04-08-2015 01:08
quote:
нескольких СЧ весьма оправдано
О, да) Отношение например веса к мощности - недостижимо практически в одиночном исполнении. Кроме того, в вертикальной линии эффект подавления индивидуальных разбросов - весьма высок. Пробовал включать разные одиночные дины к "хору", и удиляла чёткость с которой нивелируется "индивидуальность" звучания. Пока, это лучшее ШП-решение. ИМХО.
quote:
будет выглядеть примерно так: продуваемый воздухом некий управляемый элемент
ОргАн)) К слову - посчитайте длинну и обьём трубы "нижней ноты", и всё станет понятно))
В свою очередь, предположу излучатель будущего - созданной по принципу фазированной антенной решётки с тысячами активных элементов в плоском поле, каждый из которых управляется отдельным драйвером. Ну и конечно -мощный процессор, точно создающий звуковую картину на выходе с корректировкой акустической обратной связью зависимости АЧХ помещения прослушивания и расстояния до слушателя. И это уже не фантастика, большинство элементов такой системы уже есть, а идея витает в воздухе)) Осталось создать специализированную акустическую матрицу на однотипных, мощных и небольших излучателях, которые лехко группируются процем по геометрии к длинне волны и нужному давлению, причём одновременно и динамично адаптируясь ко ВСЕЙ частотной гамме.. Как то так видится. Делюсь))
Пока видимо тормозит всёже КПД электродинамических голов, хотя неодимовые магниты и углепластиковые мембраны с напечатанными плоскими катушками, мне кажется уже напрашиваются)) Но это уже не радиолюбительство, канешно же)
ЗЫ. Проверял как то идею; на 8 динов, включал по отдельному драйверу (ТДА2030). Задача - снивелировать индуктивный отклик, улучшить демпфирование. Согласовывал входа ОУ по 1к сопротивлением и на образовавшийся общий вход подавал ШП сигнал с преда. Честно скажу, - впечатления потрясающие. Никакой каши! Даже несовершенство дешёвых интеграшек, не помешало безусловно отнести систему к лучшим, из тех которые я слышал. Идею дарю))) Проблема как сами понимаете - в моём перфекционизме) Хотелось каждому дину УМЗЧ класса КВОД, и приличные дины в приличном корпусе.. Увы, пока этот проект в стадии - "может быть")) В общем - пробуйте)))
Спасибо.
Синтетик 04-08-2015 07:47
То что Вы написали скорее регресс, чем новое в мире техники. Никто не будет созавать ни фазированную матрицу, ни тем более продуваемую систему. Следующий шаг, это либо визуализация восприятия и тогда звуки отойдут на второй план, либо получение информации прямо в мозг, без каких либо механических излишеств. Музыка это всего лишь гармонические колебания, небольшой выдел из широкого спектра природных вибраций.
Ринатыч 911 04-08-2015 08:24
На цифроусилители надо переходить
Zero237 04-08-2015 09:05
quote:
Музыка это всего лишь гармонические колебания, небольшой выдел из широкого спектра природных вибраций.
Биологически обусловленная норма. Т. е - фундаментальный способ коммуникации со средой, кастрировать который - практически невозможно. Как лишить дельфина локации, ога. Небуду говорить о его важности - самоочевидная вещ)) Но например видеоинфа - идёт прямо в мозг минуя центры мышления, иначе нас сьели бы раньше чем пришло понимание. А вот звуковая инфа - весьма критически оценивается аналитическими центрами как например и считывание текста позволяет мне врубить скепсис, как раз потому что обращается прямо через речевые центры задействуя мышление. И как раз поэтому - так легко манипулировать с помощью видеоряда отключая критицизм - вдалбливать с рекламой новые социальные инстинкты типа фашизма) Если это понимать, то большая часть изумления от происходящего говна на украине например, перестаёт так сильно изумлять)) Сори за экскурс в биологию приматов.
quote:
Никто не будет созавать ни фазированную матрицу
Ни вы, ни я -вряд ли получим бонусы от спора, как Насреддин с падишахом)). Но я хотябы аргументировал не столь фантастично) Посмотрите как развиваются звуковые процессоры и системы обработки, а старые 1%КПДшные ДГ - рулят как и столетие назад))
Вопрос назрел, ога?)
quote:
На цифроусилители надо переходить
А какая разница кроме экономии? Получаем вместо бесконечного битрейта аналога, кучку цифрового гомна, (сори) с весьма специфичными новыми искажениями и старыми болезнями, которое интегрируется на той же ГД) С точки зрения технологий - выгодно изготавливать полностью цифровой тракт, но упирается то он в тоже 100летнее электромагнитное чудо)) С точки зрения любителей наушников и недогруженных ШП - разницы нет. С точки зрения меня, который любит Д\Диапазон - как в концертном зале с близким к нему качеством, - неприемлемо НИКАК. Так что спорить не буду, "я себе уже всё доказал"(с). Спасибо впрочем за попытку...)
Ринатыч 911 04-08-2015 09:13
quote:
кучку цифрового гомна, (сори)
Да нет там никакого гомна)))
quote:
С точки зрения технологий - выгодно изготавливать полностью цифровой тракт
вот именно
Ринатыч 911 04-08-2015 09:24
To Zero237 а можете свою аудио систему вкратце описать?
Ринатыч 911 04-08-2015 10:49
quote:
середина -4дина -китайца ШП
quote:
ВВерху изодинамики пара китая, планирую заменить ленточками если удачно запоют
Что за динамики?
Ринатыч 911 04-08-2015 12:01
Ок, спасибо за инфу, а как нить послушать вашу систему можно? Линейный массив не частое явление у нас.
Ринатыч 911 04-08-2015 14:32
quote:
Простите Ринатыч, ога? Будет хотяб упакован и немного выставлен по основным.., вам первому отпишу приглашение на чай с музыкой))
Ещё раз - сори.
Да ничего страшного))) мне не к спеху, а насколько универсальна система, в плане музыкальных жанров?
Zero237 04-08-2015 14:50
quote:
а насколько универсальна система
На мой ух -переваривает всё. Особенно вставляет вокал и например Эберхард, контрабас... Как раз нижний регистры СЧ, на другой акустике междупрочимные, тут впечатляют) И кажется совсем не оттого что что то выпячивает, - наоборот, этого "чегото" - нет. Палитра полноценна. Очень нравится Пёрпл, Пендрагон,Sky2, Флойд, вокал - Егорова, Хорман, Милен Фармер... Перечислять можно долго)) Естественно Lossless, Flac, или непережатый МП3... Врядли я буду точен передавая впечатления, тем более без прямого сравнения, это голимый субьективизм во многом, но я попытался) Спасибо.
ЗЫ. Немного почистил) Прошу Автора извинить меня за офтопп. Увлёкся))
Magnus 29-08-2015 18:35
День добрый! кто может починить усилок для сабвуфера. Есть два одинаковых. Один хрипит, другой постоянка 46 вольт на выходе. Нужен один. Кто-нибудь возьмётся и почём?
Satil 28-09-2015 18:16
Может кто перчатку развести для TL072 в SprintLayout? Собирал на макетке вполне устраивает, но хочется компактности и порядка.
Заранее благодарю.
MyName2008 05-10-2015 23:41
quote:
Изначально написано Satil:
Может кто перчатку развести для TL072 в SprintLayout? Собирал на макетке вполне устраивает, но хочется компактности и порядка.
Заранее благодарю.
Лехкго
Satil 06-10-2015 12:22
Сам уже развел, только перемычек много получилось, но мне пойдет)