Чукотский мальчуган 26-06-2012 08:45
quote:
Originally posted by Чукотский мальчуган:
естественно. он для всех будет разный независимо от счетчика. в этом и плюс и минус бойлера.
поправлю себя. тариф будет один и тот же. сумма от месяца в месяц будет разная. ибо количество гигакаков будет разное.
Чукотский мальчуган 26-06-2012 08:50
quote:
Originally posted by MIV:
ага, у вас живет 6 человек, ежедневно стирающих и купающихся в ванной, а этажом выше живет 1 человек, причем постоянно в командировках. Кому выгодно?
именно так. либо все индивидуальные ставят либо никак. единственное верное решение.
Urri3008 28-06-2012 17:29
Три вопроса, все организационные по выборам Совет дома.
1. По ЖК мы должны были выбрать Совет МКД в течение календарного года после принятия изменений в ЖК. Т.е в срок до 18 июня 2012г. А далее, если не выбрали,как написано в Законе, выборы должны быть организованы в течение 3 мес. мэрией. Мы не успели до часа Х, т.е до 18 июня, и что теперь? Будет ли считаться выбор Совета МКД законным после 18 июня.
2. Если законно, то следующий вопрос. Как проводить выборы грамотно, и чтоб бланки заочного голосования были составлены с учетом законов. Всех кандидатов в члены Совета МКД отдельным пунктом писать или всем списком можно? Как считать результаты голосования, если выбор председателя проводится на альтернативной основе (претендуют несколько кандидатов). Простым большинством голосов? Можно ли в анкете для голосования писать краткую характеристику (биографию)кандидатов в Совет дома. Может у кого есть "законный" бланк голосования по этой теме.
3. Можно ли сразу приступить к заочному голосованию, за 10 дней вывесив повестку дня, не прибегая к открытому голосованию. (Бесполезно толпу собирать. Все равно кворума не будет).
МагазинДляСантехника 29-06-2012 12:23
расти тема
aleck 02-07-2012 21:19
Я понимаю, что мой вопрос - мелочь по сравнению авариями, отключением водоснабжения и т.п., но все-таки: наша УК (Вест-Снаб) очень любит отключать воду без предупреждения. В данный момент, например, горячей воды нет второй день.
Я не против. Я понимаю что это не из вредности делается: раз отключают, значит нужно выполнить какие-то работы. Но вот с объявлениями прямо беда... хорошо если появляются позже. Но, чаще всего никаких объявлений нет вообще.
В УК оправдываются, что у них на 20 домов одна пенсионерка ходит развешивает и, мол, она не успевает, но меня такой ответ не устраивает. А как можно привлечь к ответственности, либо оказать хоть какое-то давление - ума не приложу. Надеюсь на ваши конструктивные советы.
ad1980 03-07-2012 12:29
quote:
Originally posted by aleck:
Я понимаю, что мой вопрос - мелочь по сравнению авариями, отключением водоснабжения и т.п., но все-таки: наша УК (Вест-Снаб) очень любит отключать воду без предупреждения. В данный момент, например, горячей воды нет второй день. Я не против. Я понимаю что это не из вредности делается: раз отключают, значит нужно выполнить какие-то работы. Но вот с объявлениями прямо беда... хорошо если появляются позже. Но, чаще всего никаких объявлений нет вообще.
В УК оправдываются, что у них на 20 домов одна пенсионерка ходит развешивает и, мол, она не успевает, но меня такой ответ не устраивает. А как можно привлечь к ответственности, либо оказать хоть какое-то давление - ума не приложу. Надеюсь на ваши конструктивные советы.
вопросы к УКСу,вряд ли у вас ГВС автономное...
aleck 03-07-2012 01:05
Это что, УКС развешивает объявления что-ли?
ad1980 03-07-2012 01:12
quote:
Originally posted by aleck:
Это что, УКС развешивает объявления что-ли?
они ЦТП отключают,ремонтные работы производят,а УК они предупреждают стенограммой(телеграммой или типо такой фигни)
объявление вешает УК
aleck 03-07-2012 13:58
quote:
Originally posted by ad1980:
вопросы к УКСу,вряд ли у вас ГВС автономное...
Ну и на кой мне в УКС с вопросами обращаться, если объявление УК вешает?
Чукотский мальчуган 03-07-2012 20:20
вряд ли что сделаете. да и что это даст? реалии современной коммуналки таковы что даже уже прокуратуро ничего не делает. (((
Чукотский мальчуган 03-07-2012 20:21
quote:
Originally posted by Urri3008:
Три вопроса, все организационные по выборам Совет дома.
1. По ЖК мы должны были выбрать Совет МКД в течение календарного года после принятия изменений в ЖК. Т.е в срок до 18 июня 2012г. А далее, если не выбрали,как написано в Законе, выборы должны быть организованы в течение 3 мес. мэрией. Мы не успели до часа Х, т.е до 18 июня, и что теперь? Будет ли считаться выбор Совета МКД законным после 18 июня.
2. Если законно, то следующий вопрос. Как проводить выборы грамотно, и чтоб бланки заочного голосования были составлены с учетом законов. Всех кандидатов в члены Совета МКД отдельным пунктом писать или всем списком можно? Как считать результаты голосования, если выбор председателя проводится на альтернативной основе (претендуют несколько кандидатов). Простым большинством голосов? Можно ли в анкете для голосования писать краткую характеристику (биографию)кандидатов в Совет дома. Может у кого есть "законный" бланк голосования по этой теме.
3. Можно ли сразу приступить к заочному голосованию, за 10 дней вывесив повестку дня, не прибегая к открытому голосованию. (Бесполезно толпу собирать. Все равно кворума не будет).
тут не всесилен. тут ближе к юристам вопрос. ответить не готов. (((
ЙОЖЕГ 03-07-2012 20:42
quote:
Originally posted by aleck:
Ну и на кой мне в УКС с вопросами обращаться, если объявление УК вешает?
все верно,УКС не при чем разумеется...
как я вижу ситуацию
ваш дом обслуживает УК!
Делает это управляйка по какому-то договору. Поизучайте этот договор. Если его писали и подписывали не болваны,то порядок уведомления жильцов о предстоящих ограничениях в водоснабжении там ДОЛЖЕН БЫТЬ прописан. Если УК нарушает договор в части уведомления жильцов,то тогда обратитесь с письмом в УК для начала,а далее и в суд можно. Договор-то нарушается!
все ИМХО
aleck 03-07-2012 20:59
хм.. разумно.
впрочем, у нас в России проблема уведомления граждан - это проблема так 25-я по счету в системе проблем в ЖКХ. Боюсь, поэтому никто её решать не собирается. Мне хочется найти какой-то действенный метод (читай, как-то заябывать УК в рамках закона) чтобы они сами для себя решили, что им дешевле будет уведомлять по-нормальному.
Как оно обычно бывает: вот начал бы я им звонить, выяснять, жаловаться. Сегодня хоп - воду дали! И, вроде бы, предмета для обсуждения нет - водоснабжение же восстановлено. И в следующий раз по-новой...
Спасибо за мнение.
Чукотский мальчуган 03-07-2012 23:32
ЙОЖЕГ только что это решит? ну выйграешь ты суд и снова тебя не уведомят что дальше? нужно этот процесс автоматизировать что возможно только в заинтересованности УК в улутдшении качества услуг, а онного не наблюдается.
ad1980 03-07-2012 23:39
quote:
Originally posted by Чукотский мальчуган:
ЙОЖЕГ только что это решит? ну выйграешь ты суд и снова тебя не уведомят что дальше?
а УК кивнет на УКС...доступ к ЦТП имеет ограниченное число людей...
пока что это сфера закрыта от проверок..
ЙОЖЕГ 04-07-2012 06:48
quote:
Originally posted by ad1980:
а УК кивнет на УКС...доступ к ЦТП имеет ограниченное число людей...
пока что это сфера закрыта от проверок..
До сих пор так и не понял,при чем тут УКС? УКС,как положено уведомляет (в положеные нормативами сроки) управляйку... По договору управляйка обязана уведомить жильцов,что не делается или делается с нарушением. УКС что ли виноват?
Опять же...житель не знает достоверно УКС ли ограничивает водоснабжение или управляйка занимается ремонтом внутридомовых сетей...
quote:
Originally posted by Чукотский мальчуган:
ЙОЖЕГ только что это решит? ну выйграешь ты суд и снова тебя не уведомят что дальше? нужно этот процесс автоматизировать что возможно только в заинтересованности УК в улутдшении качества услуг, а онного не наблюдается.
Влюбом договоре (я повторю,если договор писался не дураками полными и не дураками подписывался же) должны быть штрафные санкции за ненадлежащее выполнение договора. Если они есть-наказать УК,если нету (такое бывает очень часто),то тогда думаю,что можно и нужно составлять акты о нарушении договора (неправильном уведомлении об ограничении водоснабжения) и набрать таких актов несколько штук (желательно подписанных разными жильцами)...ну и снова в суд. Ставить вопрос об расторжении договора в связи с неоднократными его нарушениями.
все по-прежнему ИМХО
ЙОЖЕГ 04-07-2012 06:55
quote:
Originally posted by aleck:
Мне хочется найти какой-то действенный метод (читай, как-то заябывать УК в рамках закона) чтобы они сами для себя решили, что им дешевле будет уведомлять по-нормальному.
Звонишь,официальным тоном заявляешь,что вызываешь их представителя для составления акта об ненадлежащем выполнении договора в части неправильного уведомления... И предупреждаешь,что в случае неявки представителя акт будет подписан без него.
Возможно как-то поможет.
ad1980 04-07-2012 12:08
До сих пор так и не понял,при чем тут УКС? УКС,как положено уведомляет (в положеные нормативами сроки) управляйку... По договору управляйка обязана уведомить жильцов,что не делается или делается с нарушением. УКС что ли виноват?
Опять же...житель не знает достоверно УКС ли ограничивает водоснабжение или управляйка занимается ремонтом внутридомовых сетей...
вот смотри,трубы до цтп принадлежат котельной,до дома УКСу,а в доме УК...как ты правильно написал,надо вводить штрафные санкций в договоре УК...но обычно в договоре с УК их нет,значит надо вводить их...до зоны ответственности ДВА разных агента...еще я забыл о ремонте внутри ЦТП,как правило они давно не ремонтировались,и вряд ли там уход положенный...
а УК скажет,мы расклеивали на подъезде,а их срывают...надо мне кажется в каждый почтовый ящик уведомление раскидывать...
ЙОЖЕГ 04-07-2012 12:18
quote:
Originally posted by ad1980:
вот смотри,трубы до цтп принадлежат котельной,до дома УКСу,а в доме УК...как ты правильно написал,надо вводить штрафные санкций в договоре УК...но обычно в договоре с УК их нет,значит надо вводить их...до зоны ответственности ДВА разных агента...еще я забыл о ремонте внутри ЦТП,как правило они давно не ремонтировались,и вряд ли там уход положенный...
согласен,чтобы понять полную картину нужно знать границы балансовой принадлежности... я просто как-то по умолчанию подумал,что у всех как у нас....у нас все четко прописано...
ad1980 04-07-2012 12:22
quote:
Originally posted by ЙОЖЕГ:
согласен,чтобы понять полную картину нужно знать границы балансовой принадлежности... я просто как-то по умолчанию подумал,что у всех как у нас....у нас все четко прописано...
все зависит от старшего по дому....от его грамотного управления....
ЙОЖЕГ 04-07-2012 12:30
quote:
Originally posted by ad1980:
все зависит от старшего по дому....от его грамотного управления....
все равно,обязанность уведомлять жителей лежит на УК...
а про старшего по дому-согласен!
ad1980 04-07-2012 12:36
quote:
Originally posted by ЙОЖЕГ:
все равно,обязанность уведомлять жителей лежит на УК...
а про старшего по дому-согласен!
тут же надо работать,своровать ничего нельзя,значит УК это не интересно...
Чукотский мальчуган 04-07-2012 12:39
ЙОЖЕГ ну расторгнешь ты договор. а дальше что? только тсж создавать останется. представь картинку что дом у тебя в эпицентре домов где ук вестснаб.
какая другая ук туда попрётся тебя обслуживать? все нахер пошлют. у нас же рынок щас. хочешь работай, хочешь нет. хочем возьмём ваш дом хочем не возьмём. ситуация такова что все комерческие управляйки могут от твоего дома отказатся и ты останешься не с чем. нет механизма влияния на УК.
ad1980 04-07-2012 12:42
quote:
Originally posted by Чукотский мальчуган:
ЙОЖЕГ ну расторгнешь ты договор. а дальше что? только тсж создавать останется. представь картинку что дом у тебя в эпицентре домов где ук вестснаб.
какая другая ук туда попрётся тебя обслуживать? все нахер пошлют. у нас же рынок щас. хочешь работай, хочешь нет. хочем возьмём ваш дом хочем не возьмём. ситуация такова что все комерческие управляйки могут от твоего дома отказатся и ты останешься не с чем. нет механизма влияния на УК.
вот и я об этом говорю...они не идут как монополисты в ФАС,хотя в отдельном доме они монополисты..нет у нас рынка,одно бла-бла-бла
ЙОЖЕГ 04-07-2012 12:58
quote:
Originally posted by Чукотский мальчуган:
ЙОЖЕГ ну расторгнешь ты договор. а дальше что? только тсж создавать останется. представь картинку что дом у тебя в эпицентре домов где ук вестснаб.
какая другая ук туда попрётся тебя обслуживать? все нахер пошлют. у нас же рынок щас. хочешь работай, хочешь нет. хочем возьмём ваш дом хочем не возьмём. ситуация такова что все комерческие управляйки могут от твоего дома отказатся и ты останешься не с чем. нет механизма влияния на УК.
Я не искал управляйку для дома,которому 25 и более лет,общая площадь которого 5000 (например) квадратных метров...Я занимался домом,которому нет еще и 5-ти лет и площадь которого 30 000 м2. Обслуживать такой дом выстроилась очередь и его расположение на карте города было не так критично! Но! Если все будут рассуждать,как ты сказал,то народ будут продолжать ни во что не ставить и опускать!
Похер,что дома вокруг Вест-Снаба,похер что дом старый...надо (мне кажется) подходить немного иначе к вопросу и тогда все получится,уверен. Все зависит от людей и их желания жить в нормальных условиях!
А найти управу на УК можно. Хотеть и заниматься надо этим...
ЙОЖЕГ 04-07-2012 13:00
quote:
Originally posted by ad1980:
вот и я об этом говорю...они не идут как монополисты в ФАС,хотя в отдельном доме они монополисты..нет у нас рынка,одно бла-бла-бла
ТСЖ и еще раз ТСЖ-вот что позволит искать себе на обслуживание тех,кто ВАС устраивает!
ad1980 04-07-2012 13:06
quote:
Originally posted by ЙОЖЕГ:
ТСЖ и еще раз ТСЖ-вот что позволит искать себе на обслуживание тех,кто ВАС устраивает!
к сожалению соседи пассивны...похоже надо квартиру будет менять...
ЙОЖЕГ 04-07-2012 13:13
quote:
Originally posted by ad1980:
похоже надо квартиру будет менять...
quote:
Originally posted by ЙОЖЕГ:
Все зависит от людей и их желания жить в нормальных условиях!
Чукотский мальчуган 05-07-2012 12:04
quote:
Originally posted by ЙОЖЕГ:
Я не искал управляйку для дома,которому 25 и более лет,общая площадь которого 5000 (например) квадратных метров...Я занимался домом,которому нет еще и 5-ти лет и площадь которого 30 000 м2.
там и обслуживать нечего. одна сплошная прибыль )))
vipu 06-07-2012 08:33
Для управляек такие дома чуть не в драку-сплошное удовольствие,стриги купоны и особо не заморачивайся на ремонте,тем более что гарантийный срок по закону 5 лет на строительные конструкции, так что деньги якобы пошедшие на текущий ремонт списываются на что угодно и в том числе действительно на ремонт-исправление косяков застройщика за счет жильцов,вместо того, чтобы напрягать застройщика-УК это проще,с застройщиком отношений не портить, а жители-безмолвная масса-дои не хочу.
Nettt000 15-07-2012 01:02
отмечусь.
вопрос такой, одна ук отжала дом у другой, в процессе этого не платили никому(приходило 2 платежки), но вот случилось и теперь у нас одна ук, якобы собственники жилья там были и подписали что-то, не плачу, так как не заключен договор с этой ук, могу ли я платить с момента заключения договора, а не с того времени когда якобы собственники жилья решили...? раз они решили за меня- пусть тогда сами и платят, а так как договора у меня нет- платить или не платить??? или все таки заставят, а то хрен разберешь, сегодня ты в одной ук завтра в другой.. почему я- собственник должен ходить и заключать договора, раз сами рынок делят- пусть сами приходят и заключают договора или я может чего не понимаю?
U-la-la! 15-07-2012 16:35
quote:
Originally posted by Nettt000:
все таки заставят
Чукотский мальчуган 15-07-2012 18:11
quote:
Originally posted by antolopatin:
Добрый день! Хотелось бы узнать,почему УК берёт плату С.жилья в т.ч:,м2?
точнее плиз
quote:
Originally posted by Nettt000:
отмечусь.вопрос такой, одна ук отжала дом у другой, в процессе этого не платили никому(приходило 2 платежки), но вот случилось и теперь у нас одна ук, якобы собственники жилья там были и подписали что-то, не плачу, так как не заключен договор с этой ук, могу ли я платить с момента заключения договора, а не с того времени когда якобы собственники жилья решили...? раз они решили за меня- пусть тогда сами и платят, а так как договора у меня нет- платить или не платить??? или все таки заставят, а то хрен разберешь, сегодня ты в одной ук завтра в другой.. почему я- собственник должен ходить и заключать договора, раз сами рынок делят- пусть сами приходят и заключают договора или я может чего не понимаю?
просите в писменном виде в УК протоколы собраний и письмо с их реквизитами куда платить. до этого момента не платить а откладывать в тумбу
Nettt000 16-07-2012 23:20
эх, придется возрождать лихие 90-е... раз они по беспределу, так и ответим...
U-la-la! 17-07-2012 06:45
quote:
Originally posted by гульча:
Обязаны ли сделать перерасчёт нам, подскажите знающие люди?
обязаны.
в жилинспекцию через их сайт можно направить жалобу с просьбой наказать ТСЖ и обязать его сделать перерасчет с приложением фотки\скана кривой платежки.
Чукотский мальчуган 17-07-2012 13:39
обязаны и ещё раз обязаны.
правы только в одном что вы для них никто. просите доверенность хозяина на соответствующие полномочия или пусть хозяин разберётся.
Leeroy-dancer 18-07-2012 23:13
до сих пор не пришла платежка за электроэнергию (за июнь), хотя другие уже пришли...что хотят в августе прислать с учетом повышения платы с июля за электричество???
Чукотский мальчуган 19-07-2012 11:11
нет. посчитают по расчетному методу за июль по старому.
sles 19-07-2012 18:25
quote:
Originally posted by Leeroy-dancer:
до сих пор не пришла платежка за электроэнергию (за июнь)
ну так зарегтесть в ихнем сайте да там и скачайте ;-)
Nympha-M 19-07-2012 23:52
quote:
до сих пор не пришла платежка за электроэнергию (за июнь), хотя другие уже пришли...что хотят в августе прислать с учетом повышения платы с июля за электричество???
Да вы, наверное, в июне просто изрядно постарались и сэкономили - комп не врубали, ТV никому не давали смотреть, лишний раз свет в прихожей/туалете/кухне (нужное подчеркнуть) не включали..........)
Tatyvita 22-07-2012 22:49
Есть вопрос. Вода из горячего крана бежит еле тёплая (+35*), а счётчик считает кубометры как за горячую по нормативу. Что делать?
ad1980 23-07-2012 12:15
quote:
Originally posted by Tatyvita:
Есть вопрос. Вода из горячего крана бежит еле тёплая (+35*), а счётчик считает кубометры как за горячую по нормативу. Что делать?
для начало надо зафиксировать с комиссией из УК,что вода теплая...
Чукотский мальчуган 23-07-2012 09:00
в писменном виде вызов специалиста
Myckat 08-08-2012 10:13
почему за освещение МОП денежки берутся с кол-ва прописанных, а не с квартиры? у соседа прописан 1 человек, у меня 4. я больше трачу в МОП ?!?
Белка@ 08-08-2012 15:15
quote:
почему за освещение МОП денежки берутся с кол-ва прописанных, а не с квартиры? у соседа прописан 1 человек, у меня 4. я больше трачу в МОП ?!?
+1
Myckat 09-08-2012 08:24
можно ли снизить сумму на отчисление за кап.ремонт?
U-la-la! 09-08-2012 08:29
quote:
Originally posted by Myckat:
можно ли снизить сумму на отчисление за кап.ремонт?
решением Общего собрания собственников.
Белка@ 09-08-2012 09:15
quote:
решением Общего собрания собственников.
но не менее утвержденного тарифа (5,5р/кв.м.)
U-la-la! 09-08-2012 09:30
quote:
Originally posted by Белка@:
но не менее утвержденного тарифа (5,5р/кв.м.)
вы это откуда взяли? я мб чего-то пропустил.......
ч.7 ст.156 ЖК РФ никто не отменил у нас?
U-la-la! 09-08-2012 09:31
ст.44 ЖК РФ посмотрел, тоже не нашел никаких изменений в части ограничения полномочий собственников в вопросах принятия решения о ремонте, его размере и плате за него......
Myckat 09-08-2012 09:47
а всё-таки почему за освещение МОП денежки берутся с кол-ва прописанных, а не с квартиры?
Чукотский мальчуган 09-08-2012 21:34
quote:
Originally posted by Белка@:
но не менее утвержденного тарифа (5,5р/кв.м.)
не факт. хоть рубль ставь. но не забудь тогда структуру тарифа поправить. )))
Чукотский мальчуган 09-08-2012 21:37
quote:
Originally posted by Myckat:
почему за освещение МОП денежки берутся с кол-ва прописанных, а не с квартиры? у соседа прописан 1 человек, у меня 4. я больше трачу в МОП ?!?
вот самого давно интересует. найду скажу.
а вообще это правильнее с человека.
лифтом чаще, мусор выносить чаще. и т.д.
Чукотский мальчуган 09-08-2012 21:53
http://www.izh.ru/izh/info/31129.html
вот нащёл.
выводы:
1. если нет общедомового счетчика то брать с человека сказала власть.
2. если есть общедомовой узел то надо считать по формулам неотличающимся для хвс.
Natachka+ 21-08-2012 11:13
Здравствуйте! Вопрос не совсем по коммуналке, но может кто подскажет. В этом сезоне стала подтекать крыша. Живем на последнем этаже. За счет каких средств должен осуществляться ремонт кровли? Крыша требует ремонта не только над нашей квартирой, а полностью по дому. Было решено на собрании, что собственники сами скидываются на ремонт, в итоге 3-х комнатные квартиры должны заплатить 16 тысяч за ремонт. На содержание и ремонт каждый месяц оплачивается более 700 рублей, я почему-то всегда думала, что за счет этих средств и должен осуществляться кап. ремонт в доме. Но эти деньги видимо идут на зарплату старшего по дому. Подскажите, в чем я не права и куда обратиться. Квартира находится в Сарапуле.
Ylianna 21-08-2012 21:31
здраствуйте!у меня вопрос стоит ли платить старшему по дому деньги,когда она ничего не делает.пока сам не идешь и не требуешь у жрп
Чукотский мальчуган 22-08-2012 15:54
а что она по вашему должна делать?
Чукотский мальчуган 22-08-2012 15:54
платить деньги за ничего неделанье не стоит

alpha&omega 22-08-2012 19:35
Возможно, мой вопрос не совсем по теме.... но не знаю где найти ответ. Родился ребенок, его надо прописать. вопрос: на какие позиции в платежке увеличится окончательная сумма в платежке с учетом того, т.е. что будет учитывать бухгалтерия какие позиции с учетом того, что малыш, а не взрослый? и можно как-либо тут сэкономить? спасибо за ответ.
Ylianna 22-08-2012 20:57
старший по дому видя что у подъезда цемент на ступеньках развалился чрезвычайно опасно,знает она что во всем доме(кроме ее подъезда возможно) канализационные стояки в аварийном состоянии(у меня на руках акт о их плачевном состоянии)мер никаких не предпринемает.а деньги за ее якобы оказанные услуги ежемесячно приходят в платежках.как дакозать и где что за ее невыполняемую работу я не собираюсь платить.
ЙОЖЕГ 22-08-2012 21:11
quote:
Originally posted by alpha&omega:
Возможно, мой вопрос не совсем по теме.... но не знаю где найти ответ. Родился ребенок, его надо прописать. вопрос: на какие позиции в платежке увеличится окончательная сумма в платежке с учетом того,
1.есть ли в квартире ИПУ?
2.есть ли в доме ОПУ?
3.подаете ли данные ИПУ в управляйку/ТСЖ?
4.в вашем доме во всех квартирах есть ИПУ? сейчас новые дома сдаются со 100% ИПУ во всех квартирах (например).
quote:
Originally posted by alpha&omega:
т.е. что будет учитывать бухгалтерия какие позиции с учетом того, что малыш, а не взрослый?
бухгалтерии пофиг 3 месяца ребенку или 30 лет ему...

quote:
Originally posted by alpha&omega:
и можно как-либо тут сэкономить? спасибо за ответ.
так не прописывайте,что уж там...
YuDmAl 31-08-2012 12:11
мальчуган! в диспетчерской ГЖУ т.66-44-66 вообще кто нибудь работает, который день трубку никто не берет! пока дозвонюсь до диспетчера мля затопит всех
Sveta&Max 03-09-2012 21:54
Был уже вопрос про чуть теплую воду из горячего крана. Ответ не понятен. Как понимаю, нужно вызвать кого то, что бы они это зафиксировали.
Вопрос: кого?
В течение какого времени они обязаны прийти и обязаны ли вообще? А можно вызвать кого то не из нашей УК? Кто то их контролирует?
Кому еще можно пожаловаться на бездействие УК в этом вопросе?
И как должна происходить вся эта процедура с актом, комиссией перерасчетом?
milashkasuper 06-09-2012 01:22
Здравствуйте! Второй год в сентябре в нашем доме отключают практически ежедневно горячую воду с 9 до 17.00. ЖРПN8 утверждает. что воду отключает УКС, УКС говорит, что они ничего не отключали. При этом никакого перерасчета не производится. На каком основании они все это делают? Какие документы, подтверждающие отключение горячей воды, ЖРП или УКС должны предоставить? Как добиться включения горячей воды? Как зафиксировать факт отключения горячей воды и куда писать, в прокуратуру или сразу в суд? Что писать, жалобу или что-то другое?
И еще один вопрос по поводу начисления платы за воду. Между жильцами, не имеющими счетчиков на воду, разделили стоимость израсходованной воды по общедомовому счетчику, а у кого счетчики есть, им не начислили плату. Законно ли это?
У всех в платежке отражается оплата старшей по дому и как она звучит? В своей ни разу не видела.
Чукотский мальчуган 10-09-2012 09:08
quote:
Originally posted by Ylianna:
старший по дому видя что у подъезда цемент на ступеньках развалился чрезвычайно опасно,знает она что во всем доме(кроме ее подъезда возможно) канализационные стояки в аварийном состоянии(у меня на руках акт о их плачевном состоянии)мер никаких не предпринемает.а деньги за ее якобы оказанные услуги ежемесячно приходят в платежках.как дакозать и где что за ее невыполняемую работу я не собираюсь платить.
ну знает и дальше что.
какие меры она должна предпринять? ремонт за свой счет?. максимум что она может провести собрание на сбор денег. а если жильцы откажутся то что она ещё может сделать по капремонту? правильный ответ - ничего.
Чукотский мальчуган 10-09-2012 09:19
quote:
Originally posted by Natachka+:
Здравствуйте! Вопрос не совсем по коммуналке, но может кто подскажет. В этом сезоне стала подтекать крыша. Живем на последнем этаже. За счет каких средств должен осуществляться ремонт кровли? Крыша требует ремонта не только над нашей квартирой, а полностью по дому. Было решено на собрании, что собственники сами скидываются на ремонт, в итоге 3-х комнатные квартиры должны заплатить 16 тысяч за ремонт. На содержание и ремонт каждый месяц оплачивается более 700 рублей, я почему-то всегда думала, что за счет этих средств и должен осуществляться кап. ремонт в доме. Но эти деньги видимо идут на зарплату старшего по дому. Подскажите, в чем я не права и куда обратиться. Квартира находится в Сарапуле.
есть капремонт и текущий ремонт.
принципиальной разницы нет. даже в законах толком не прописано.
просто они как две статьи бюджета.
а ещё есть обслуживание - это тоже отдельная статья но уже с неё деньги идут на например уборщицу.
собираете наверно на обе статьи. обычно делят таким образом - что все мелочи (трубу прорвало - поставили заплатку, течет крыша - постелили лист шифера) относятся на текущий ремонт. а например заменить крышу полностью это капитальный ремонт. собирать по 2 рубля с квадрата на капремонт долго и не выгодно по причинам:
1. долго
2. зачем кредитовать управляйку - фактический вы им деньги даёте а тратить будете через года два-три.
3. управляйка может обонкротится и ваши денежки тю-тю.
4. инфляция - за 2-3 года пока их собираете всё дорожает и денег в итоге надо будет больше.
поэтому самый простой выход заплатить сразу и всем. кто не может взять кредит. или попросить кредит у управляйки на каких небудь выгодным им условиях. )
Чукотский мальчуган 10-09-2012 09:25
quote:
Originally posted by alpha&omega:
Возможно, мой вопрос не совсем по теме.... но не знаю где найти ответ. Родился ребенок, его надо прописать. вопрос: на какие позиции в платежке увеличится окончательная сумма в платежке с учетом того, т.е. что будет учитывать бухгалтерия какие позиции с учетом того, что малыш, а не взрослый? и можно как-либо тут сэкономить? спасибо за ответ.
всё что считается в платежке с квадрата не изменится. остальное увеличится.
скорее всего это горячая, холодная вода, канализация.
если стоят счетчики на воду то вода не увеличится.
взрослый или ребенок не влияет. сыкономить не получится.
Чукотский мальчуган 10-09-2012 09:28
quote:
Originally posted by YuDmAl:
мальчуган! в диспетчерской ГЖУ т.66-44-66 вообще кто нибудь работает, который день трубку никто не берет! пока дозвонюсь до диспетчера мля затопит всех
а хз. я только с отпуска вернулся. телефоны должны были поменяться. даже не вкурсе чем там спду занималось без меня.
Чукотский мальчуган 10-09-2012 09:36
quote:
Originally posted by Sveta&Max:
Был уже вопрос про чуть теплую воду из горячего крана. Ответ не понятен. Как понимаю, нужно вызвать кого то, что бы они это зафиксировали.
Вопрос: кого?
В течение какого времени они обязаны прийти и обязаны ли вообще? А можно вызвать кого то не из нашей УК? Кто то их контролирует?
Кому еще можно пожаловаться на бездействие УК в этом вопросе?
И как должна происходить вся эта процедура с актом, комиссией перерасчетом?
дело это сложное. дело это хлопотное. сам не разу не вызывал.
моё имхо:
1. обязаны придти в день который был согласован.
2. теоретический можно - кого нить из роспотребнадзора. лучше им всем позвонить и спросить.
3. ага. государство. ))) в реалиях никто.
4. пожаловатся можно прокуратуре (но не их компитенция) пожаловатся можно в укс (тоже их не касается) в потребнадзор - тоже пошлют. самое лучше написать всем. включая Президентам . лучше обоим.
ps^ как нить попробую пройти эти круги ада. кто бы заплатил за это )))
Чукотский мальчуган 10-09-2012 09:37
quote:
Originally posted by Sveta&Max:
Был уже вопрос про чуть теплую воду из горячего крана. Ответ не понятен. Как понимаю, нужно вызвать кого то, что бы они это зафиксировали.
Вопрос: кого?
В течение какого времени они обязаны прийти и обязаны ли вообще? А можно вызвать кого то не из нашей УК? Кто то их контролирует?
Кому еще можно пожаловаться на бездействие УК в этом вопросе?
И как должна происходить вся эта процедура с актом, комиссией перерасчетом?
дело это сложное. дело это хлопотное. сам не разу не вызывал.
моё имхо:
1. обязаны придти в день который был согласован.
2. теоретический можно - кого нить из роспотребнадзора. лучше им всем позвонить и спросить.
3. ага. государство. ))) в реалиях никто.
4. пожаловатся можно прокуратуре (но не их компитенция) пожаловатся можно в укс (тоже их не касается) в потребнадзор - тоже пошлют. самое лучше написать всем. включая Президентам . лучше обоим.
5. должны придти посмотреть, сунуть градусник. составить акт. пересчитать. на деле мало кто вам раскажет как это делается. ибо практики очень мало. даже укашки плохо знают её.
ps^ как нить попробую пройти эти круги ада. кто бы заплатил за это )))
Кнедлики 24-09-2012 21:22
Неужели и правда, стоимость одного куба горячей воды
1. Для населения (с учетом НДС)- 73,89 ?
взял с этого сайта тариф
http://izhcommunal.ru/publ/cen...2_god/1-1-0-133 , прочитал и что то стало не по себе. В четверг установили счетчик ГВС и ХВС, на "горячем" счетчике уже 3 куба, на "холодном" почти 3. Теща говорит на счетчиках были нули. Смотрим показания вроде верно, на последние 3 красные цифры не обращаем внимание, а черные уже пошли метры кубические. Получается при таких тарифах уже на 200+ рублей за 5 дней "помылись". Без счетчиков около 1000 за горячую платили.
добавляю фото счетчика, вроде правильно информацию предоставил

Чукотский мальчуган 27-09-2012 11:09
а как вы хотели. ) уменьшайте напор и изменяйте прочие параметры сети.
ЙОЖЕГ 28-09-2012 10:14
quote:
а как вы хотели. ) уменьшайте напор и изменяйте прочие параметры сети.
точнее не скажешь. тариф-то точно не уменьшить.
Мэллори 28-09-2012 11:21
отопления нет,УК не дает и отпинывается словами типа" не знаем ,когда дадим,давления не хватает,ждите ХОЛОДОВ" На мой вопрос " Января ждать?"ответа НЕт не получила))
стандартное неделю слышу" отопления нет и не будет в ближайшее время.Когда будет- хрен его знает".
куда жаловаться,где искать управы? это ООО <УЖК> Октябрьский ДОСТАЛо уже!
12345йцуке 28-09-2012 19:32
Если не набегами , а методично позаниматься этим вопросом уверен можно добиться определенных результатов. причем положительных
Мэллори 28-09-2012 20:06
quote:
Originally posted by 12345йцуке:
Если не набегами , а методично позаниматься этим вопросом уверен можно добиться определенных результатов. причем положительных
ага,как обзвонила кого смогла и Ук уведомила о письменной жалобе в Жилиспекцию,тут же дали отопление ,вопрос- надолго ли))Даже воздушные пробки пришли " продувать" или как там этот процесс называется
staratel 02-10-2012 22:19
quote:
Чукотский мальчуган
Привет всем !!! Нашим домом управляет ТСЖ.За июль расчетка пришла на 4-ых хотя зарегистрированных двое. Бухгалтер сказала платить по фактическим жильцам .Но фактически все лето жили на огороде ,а она "докажите..."Все-же кто должен доказывать я или ТСЖ???
isabel 02-10-2012 22:57
Доброго вечера! У нас домом управляет ТСЖ. Вчера было собрание по замене лифтов. Было сказано, что бюджет (может неправильно называю инстанции) выделяет 86% от стоимости лифта, остальное должны заплатить собственники жилья, но т.к. не всем нужны новые лифты (особенно 1 и 2 этажи) всю сумму раскидывают на остальных. Почему идет финансирование на на 100%? Если я откажусь выплачивать сумму (временно безработная), какие санкции могут мне предъявить?
U-la-la! 02-10-2012 23:29
quote:
Originally posted by isabel:
не всем нужны новые лифты (особенно 1 и 2 этажи) всю сумму раскидывают на остальных.
незаконно.
жалобу в жилинспекцию напишите.
Braganza 03-10-2012 10:29
сегодня уже 03.10.2012 а тепла все нет((
в квартире сырость, кровать влажная и холодная)
какие нормы по подаче тепла? в этом году уже должны были дать?
можно ли нам уже писать и с какого числа на перерасчет по теплу?
18brus.ru 05-10-2012 16:04
quote:
Originally posted by Braganza:
сегодня уже 03.10.2012 а тепла все нет((
в квартире сырость, кровать влажная и холодная)
какие нормы по подаче тепла? в этом году уже должны были дать?
можно ли нам уже писать и с какого числа на перерасчет по теплу?
Перерасчета за тепло не будет. С нас берут равными платежами. Скоро будем платить по факту. Если так и будет-то это жесть. Летом будем платить немного, а зимой по полной. 
x-treme 08-10-2012 14:31
Прислали 13 платежку за горячую воду. В квартире стоит счетчик на горячую и на холодную воду.
Каково основание выставления данной платежки? Пропадает смысл счетчиков!!
HastaLuego 08-10-2012 18:58
а по субсидиям сможете ответить на вопросы?
niakr1s 08-10-2012 19:55
Тоже готов ответить на вопросы в части тепло и водоснабжения(ГВС) с технической точки зрения, указать вероятные причины низкой температуры или еще чего-нибудь...
Эльф74 08-10-2012 21:55
Подскажите, а где-то можно узнать общую сумму коммунальных платежей за 2г.9мес. по квартире?
Nettt000 08-10-2012 22:29
вопрос. могу ли я проживая в многоквартирном доме на последнем этаже отказаться от ГВС и отопления? платить только за эл энергию, ХВС и газ,канализаци., пусть стояки отопления в квартире делают напрямую- людям теплее станет..
не хочу платить бешеные деньги за отопление, потому что горячая вода получается из холодной нагретая в калорифере или теплообменнике, а так как теплоноситель общий - идет на отопление, зачем мне платить 2 раза?
могу ошибаться на счет общего теплоносителя, но смысл гнать его по 2 разным линиям- на ГВС и отопление, считаю не разумным-отсюда-теплоноситель общий.
Укук 08-10-2012 22:56
quote:
Originally posted by niakr1s:
Тоже готов ответить на вопросы в части тепло и водоснабжения(ГВС) с технической точки зрения, указать вероятные причины низкой температуры или еще чего-нибудь...
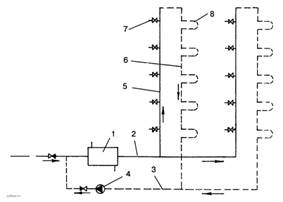
У меня как раз есть вопрос по теме. Дом 5-этажный 3-х подъездный. В подвале дома бойлер для подогрева гор. воды. Теплоноситель из котельной. Бойлер пластинчатый, на два одинаковых дома. Постоянно жалобы на низкую температуру гор. воды.
В 1-м подъезде подача и обрат в каждой квартире, а в двух других подъездах - общий обрат в каждом подъезде (собирается на 5-м этаже со всех стояков и одной трубой идет вниз). И вот на последних от бойлера стояках больше всего жалоб. Причем даже на 1-м этаже (там же подача сразу в квартиру попадает) течет еле теплая вода, в то же время в ближнем к бойлеру подъезде - кипяток. Такое впечатление, что не доходит до них вода из подачи и идет обрат, но почему такая холодная вода из обратки? Перед бойлером поставили фильтр тонкой очистки, стало получше. Но все равно как осенью все из огородов приезжают вода горячая не нагревается. В жил. инспекции говорят, что рассчитан бойлер правильно, даже с запасом. В чем может быть дело?
Nettt000 08-10-2012 23:03
а смысл ветки = прочитал все, и что изменится от того что мы пишем тут, спрашиваем что-то? что изменится то?
всем насрать друг на друга.
заморочились с парковкой. собрали собрание, с УК пришли, озвучили ценник,- поорали несогласные, решили делать сами...и...да ни фига...ни туда и ни сюда.
поручили мне данным вопросом заняться, а зачем?
я должен стоять и контролировать чтобы сами же люди, которые хотят нормальную парковку ставили свои авто нормально, а не так как поставил -а все остальные лесом, сами ведь не хотят своиже требования выполнять.
все пищат недовольные тем или иным вопросом, а для изменения состояния все в кусты, как толпа мы сила, как по одиночке, так на все согласны, че за общество то у нас???
вот жду типа "конец света" наверное когда нить наступит, и в головах людей поменяется все.
давайте обсуждать дельные советы, если кому что либо помогло из методов противодействия с неправомерным отношением(обслуживанием) УК- выкладывать и делиться опытом.
а то жалуются друг на друга как дети маленькие (старшая по дому ничего не делает- вы сами возьмите и поработайте), если хотите менять, так менять всем вместе, а то одному надо,-другому нет, так и сидим все в Ж.пЕ.
поговорить о на болевшем конечно тема, но смысл просто говорить, может что нить уже пора делать?
выход один наверное-свой дом, как построил так и будет, но тогда он должен быть в 20-30 км от города, где тарифы не такие дорогие... а вообще- при коммунизме не было такой фигни как сейчас- принесли платежку сразу платили и ук или жэки исполняли свои обязанности, сейчас все изменилось, все ищут лекгого пути накопления денег, отсюда вся вот это каша и заварилась...много еще можно писать, опять же смысл...
Nettt000 08-10-2012 23:14
quote:
У меня как раз есть вопрос по теме. Дом 5-этажный 3-х подъездный. В подвале дома бойлер для подогрева гор. воды. Теплоноситель из котельной. Бойлер пластинчатый, на два одинаковых дома. Постоянно жалобы на низкую температуру гор. воды.
В 1-м подъезде подача и обрат в каждой квартире, а в двух других подъездах - общий обрат в каждом подъезде (собирается на 5-м этаже со всех стояков и одной трубой идет вниз). И вот на последних от бойлера стояках больше всего жалоб. Причем даже на 1-м этаже (там же подача сразу в квартиру попадает) течет еле теплая вода, в то же время в ближнем к бойлеру подъезде - кипяток. Такое впечатление, что не доходит до них вода из подачи и идет обрат, но почему такая холодная вода из обратки? Перед бойлером поставили фильтр тонкой очистки, стало получше. Но все равно как осенью все из огородов приезжают вода горячая не нагревается. В жил. инспекции говорят, что рассчитан бойлер правильно, даже с запасом. В чем может быть дело?


Nettt000 08-10-2012 23:25
если я все правильно понял, то у вас обе схемы сделаны вместе, горячее вода будет на первой картинке, судя с ваших слов и мысленно соединив эти картинки.
на первой схеме сопротивление меньше, на второй больше, а вода как мы знаем всегда течет лучше по наименьшему сопротивлению, для того чтобы была горячая вода везде, вам необходимо установить циркуляционный насос для ГВС в месте начала подачи ГВС на второй картинке, либо между ними, так как длина трубопровода играет свою роль на сопротивление.
мое мнение ИМХО.
niakr1s 09-10-2012 08:17
По жилому дому с БГВс - Nettt000 в принципе правильно ответил - разные системы - разное сопротивление, вода как и электричество не пойдет по большому сопротивлению, она и проходит через первый подъезд(тут выход только один - шайбировать первый подъезд, либо если хочется на свой страх и риск поджимать первый подъезд вентилем в подвале, что, честно сказать, не рекомендуется). Ну или второй вариант низкой температуры - подмес холодной воды в горячую....у нас в подвалах домов чего только не встретишь, путают слесаря иногда - три трубы идет(ХВС, подача ГВС, обратка ГВС), отрезать отрежут, а соединят наперекосяк... На счет фильтра тонкой очистки - не понял что-то(куда его поставили и чем это помогла вам). Дом случайно не Гагарина, 3а?
ЙОЖЕГ 09-10-2012 08:34
quote:
вам необходимо установить циркуляционный насос для ГВС в месте начала подачи ГВС
такая мера реально спасла наш дом... сейчас нет проблем...
Nata_Shik 09-10-2012 09:59
как плату за горячую воду при такой схеме рассчитываете?
niakr1s 09-10-2012 10:07
quote:
Nettt000
По вопросу отказа от отопления - в принципе отказаться можно(крайне сложно, т.к. УК постоянно палки в колеса вставлять будет - нет норм, да и не любят у нас новаторов), только единственный выход тогда - котел газовый двухконтурный(отопление, ГВС). Ну а почему нельзя использовать только теплоноситель - он идет химподготовленный и не отвечает требованиям СанПиН(в г.Ижевске используется закрытая система теплоснабжения), а холодная вода хоть проходит контроль СЭС, поэтому ее и нагревают, чтоб если вы вдруг захотите попить из крана, то не отравитесь. Помимо этого, если вы задумываетесь об установке БГВС в квартире - теплоноситель подается в систему отопления с графиком 95/70(при минус 34 градусах наружного воздуха, температура в подаче будет 95 градусов), которая не обеспечивает необходимый нагрев до 60 градусов. Групповые бойлера устанавличваются на графики 150/70, 130/70, 105/70 идущие со срезкой температуры на 70 градусах в подаче(минимальная температура подачи, в том числе и летом) или в крайних случаях на график 95/70, но так же со срезкой температуры. Поэтому если вы хотите присоединить бойлер от системы отопления, то при погоде до -15 градусов, у вас горячая вода будет температурой 30-50 градусов - оно вас устроит?
HastaLuego 09-10-2012 15:42
так сможете ответить по субсидии или нет?
niakr1s 09-10-2012 18:10
По субсидиям к сожалению ничего не смогу сказать, не касаюсь их.
Укук 09-10-2012 22:33
quote:
Originally posted by niakr1s:
Дом случайно не Гагарина, 3а?
Ну как вы угадали?)))
quote:
Originally posted by niakr1s:
путают слесаря иногда - три трубы идет(ХВС, подача ГВС, обратка ГВС), отрезать отрежут, а соединят наперекосяк..
И такое у нас было, вместо стояка ГВС на 5-м этаже впаяли в обрат стояк ХВС. Сейчас вроде исправили, но я не уверена, что теперь они не перепутали стояки подачи и общего обрата ГВС. Когда переделывали, я робко пыталась сказать слесарям, что нужно проверить где какой стояк, но они меня и слушать не стали.А это как раз в последнем подъезде и как раз после этого стояка вода и не прогревается.
quote:
Originally posted by niakr1s:
На счет фильтра тонкой очистки - не понял что-то(куда его поставили и чем это помогла вам).
Фильтр тонкой очистки поставили перед бойлером и теперь сам бойлер не засоряется, а фильтр очень легко промыть. Из-за того, что раньше фильтр засорялся, вода тоже не прогревалась как следует, пока бойлер не останавливали на промывку.
В другом доме все три подъезда одинаковые и там тоже вода не прогревается.
А если мы поставим насос, то во втором доме может ситуация ухудшиться? Или нет?
Еще я читала, что если труба в подвале со временем обросла накипью, из-за этого тоже может быть такая проблема.
quote:
Originally posted by Nata_Shik:
как плату за горячую воду при такой схеме рассчитываете?
Если это вопрос ко мне, то у нас бойлер не является общим имуществом, он принадлежит УКСу, а помещение почему-то в собственности администрации города, и нам начисляют плату по городскому тарифу.
JeffNexx 10-10-2012 12:56
ПОДСКАЖИТЕ есть ли в ижевске кто занимается проверками и обоснованностью начисления квартплат? Чтобы пришли и квалифицированно проверили обоснованность начисления квартплаты в УК.
lucky1818 10-10-2012 13:13
Помогите советом, кто сталкивался. Вопрос такой: обзан ли застройщик при сдаче нового дома передать на баланс обслуживающих организаций (города) наружные газовые сети? Какими Актами, Постановлениями это регулируется? Сейчас наша УК выставляет отдельной строкой в счете плату за обслуживание наружных газовых сетей, ссылаясь на то, что эти сети не были переданы городу.
lucky1818 10-10-2012 13:14
quote:
ПОДСКАЖИТЕ есть ли в ижевске кто занимается проверками и обоснованностью начисления квартплат? Чтобы пришли и квалифицированно проверили обоснованность начисления квартплаты в УК.
В Жилищную Инспекцию обращались? Отшили?